PRODUCTS

  • Home
  • Giới thiệu sản phẩm

FAG
VRE311-A
Plummer block housing unit VRE311-A
Thêm vào yêu cầu báo giá
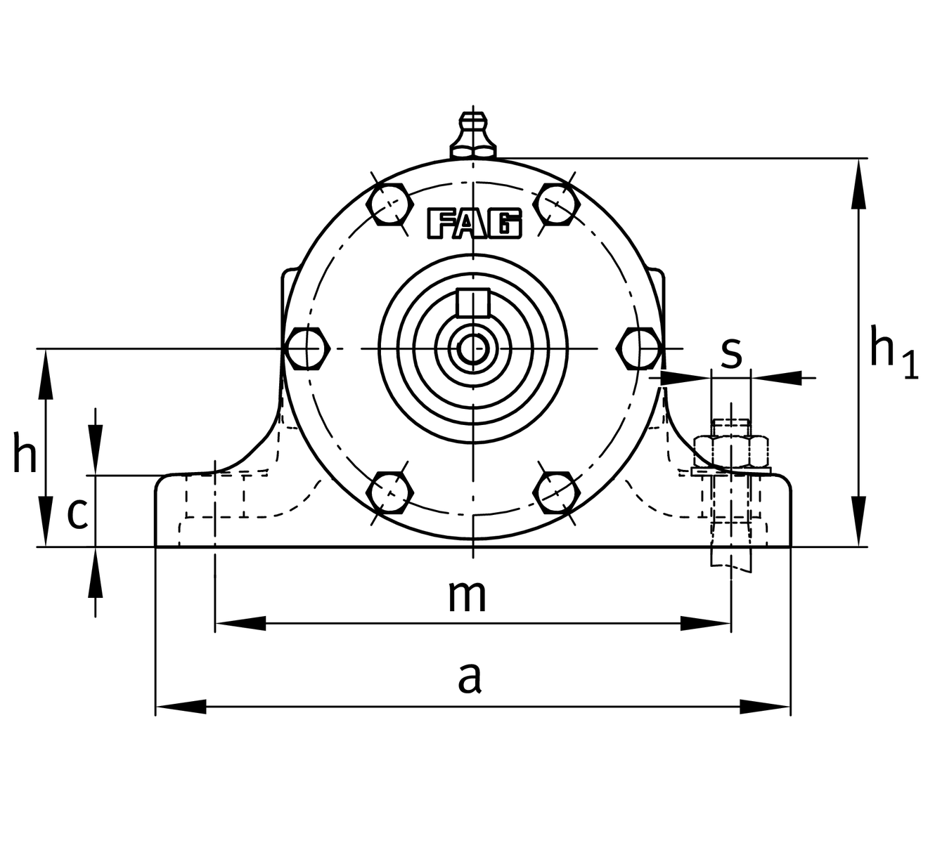
Main Dimensions & Performance Data
d
55 mm
Shaft diameter
a
260 mm
Length base
h1
158 mm
Height
g2
407 mm
Total width with cover
≈m
43.9 kg
Weight

Dimensions
B
29 mm
width
b
60 mm
width base
c
25 mm
heigth base
D
120 mm
outside diameter bearing
d2
65 mm
shaft diameter shoulder
d4
48 mm
Shaft dieameter outside
e
337 mm
locking collar width
h
80 mm
center heigth
m
210 mm
distance fixing bore
n
300 mm
bore distance width
s
M16
size of fixing screws
w1
651 mm
length shaft total
w3
110 mm
length shaft tap
w4
181.5 mm
lenght shaft end
w5
288 mm
length shaft shoulder

Additional information
6311-C3
bearing designation
6311-C3
reference bearing designation
VR311-A
housing
Thêm vào yêu cầu báo giá