PRODUCTS

  • Home
  • Giới thiệu sản phẩm

FAG
VRE306-F
Plummer block housing unit VRE306-F
Thêm vào yêu cầu báo giá
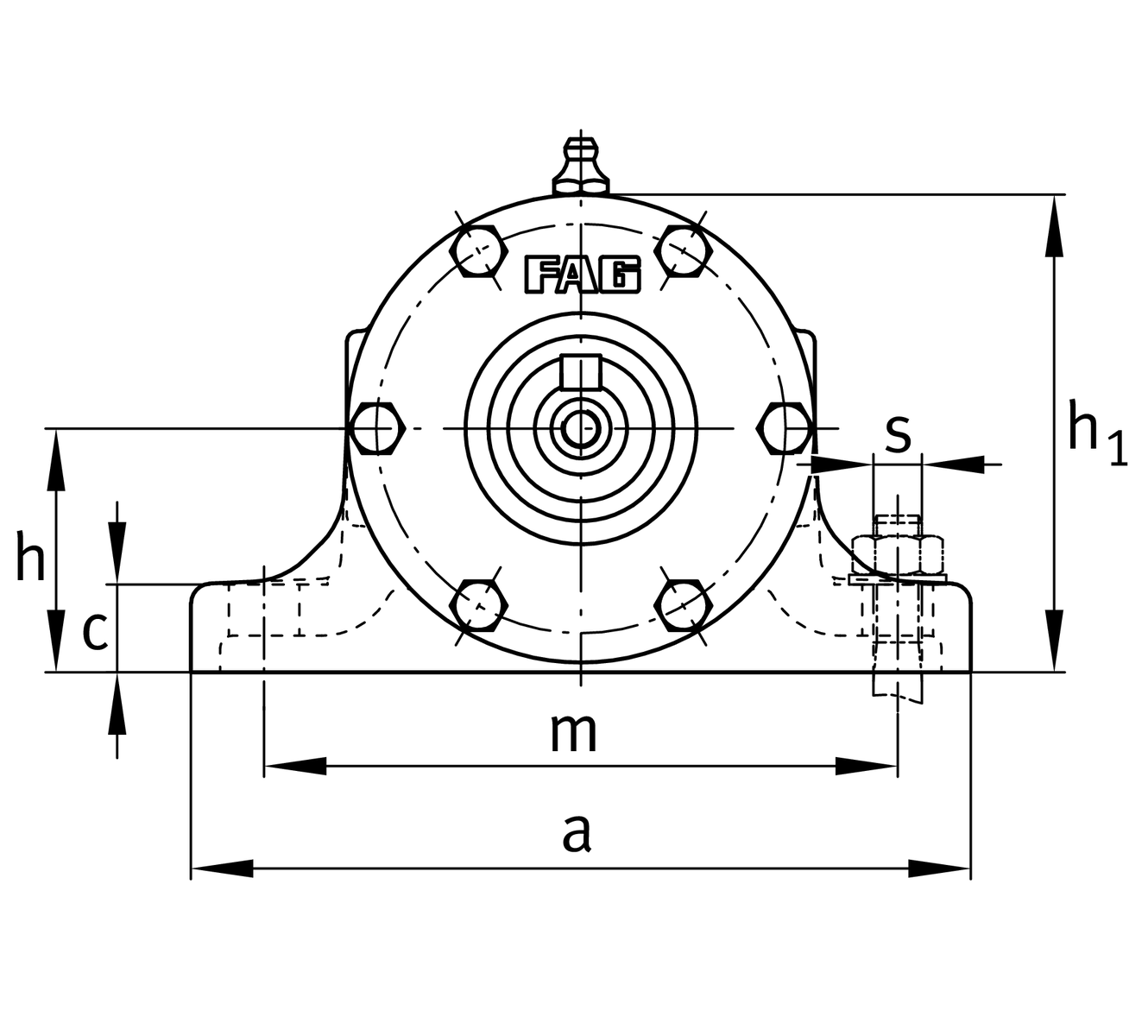
Main Dimensions & Performance Data
d
30 mm
Shaft diameter
a
160 mm
Length base
h1
98 mm
Height
g2
225 mm
Total width with cover
≈m
9 kg
Weight

Dimensions
B
19 mm
width
b
40 mm
width base
c
18 mm
heigth base
D
72 mm
outside diameter bearing
d2
40 mm
shaft diameter shoulder
d4
24 mm
Shaft dieameter outside
e
172.25 mm
locking collar width
h
50 mm
center heigth
m
130 mm
distance fixing bore
n
150 mm
bore distance width
s
M12
size of fixing screws
w1
345 mm
length shaft total
w3
50 mm
length shaft tap
w4
103.25 mm
lenght shaft end
w5
139.25 mm
length shaft shoulder
w7
102.5 mm
Lenght shaft end

Additional information
6306-C3
bearing designation
6306-C3
reference bearing designation
VR306-F
housing
Thêm vào yêu cầu báo giá