PRODUCTS

  • Home
  • Giới thiệu sản phẩm

FAG
VRE305-F
Plummer block housing unit VRE305-F
Thêm vào yêu cầu báo giá
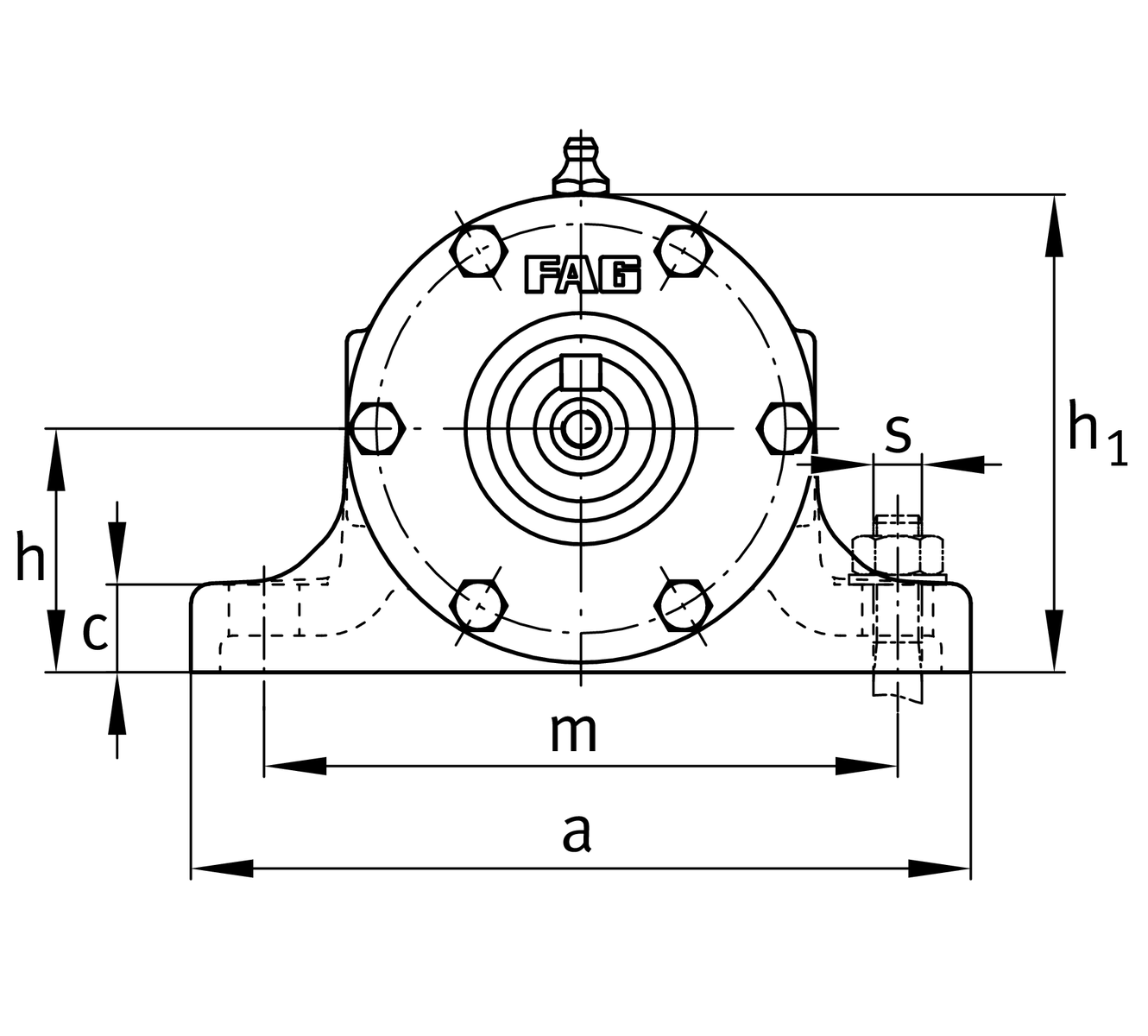
Main Dimensions & Performance Data
d
25 mm
Shaft diameter
a
155 mm
Length base
h1
87 mm
Height
g2
198 mm
Total width with cover
≈m
5.7 kg
Weight

Dimensions
B
17 mm
width
b
35 mm
width base
c
16 mm
heigth base
D
62 mm
outside diameter bearing
d2
35 mm
shaft diameter shoulder
d4
19 mm
Shaft dieameter outside
e
147.25 mm
locking collar width
h
45 mm
center heigth
m
120 mm
distance fixing bore
n
135 mm
bore distance width
s
M12
size of fixing screws
w1
298 mm
length shaft total
w3
40 mm
length shaft tap
w4
91.25 mm
lenght shaft end
w5
116.25 mm
length shaft shoulder
w7
90.5 mm
Lenght shaft end

Additional information
6305-C3
bearing designation
6305-C3
reference bearing designation
VR305-F
housing
Thêm vào yêu cầu báo giá