PRODUCTS

  • Home
  • Giới thiệu sản phẩm

INA
81176-M
Axial cylindrical roller bearing 81176-M
Thêm vào yêu cầu báo giá
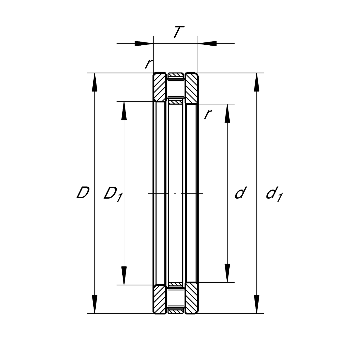
Main Dimensions & Performance Data
d
380 mm
Bore diameter
T
65 mm
Height
Ca
1,170,000 N
Basic dynamic load rating, axial
C0a
5,400,000 N
Basic static load rating, axial
Cua
430,000 N
Fatigue load limit, axial
nG
690 1/min
Limiting speed
nϑr
238 1/min
Reference speed
D
460 mm
Outside diameter
≈m
23.2 kg
Weight

Mounting dimensions
da min
454 mm
Minimum diameter shaft shoulder
Da max
394 mm
Maximum diameter of housing shoulder
ra max
2 mm
Maximum recess radius

Dimensions
D1
384 mm
Bore diameter housing washer
d1
456 mm
Rip diameter shaft washer
rmin
2 mm
Minimum chamfer dimension

Temperature range
Tmin
-30 °C
Operating temperature min.
Tmax
120 °C
Operating temperature max.

Additional information
K81176-M
Axial roller and cage assembly
GS81176
Housing Washer
WS81176
Shaft washer

Your current product variant
CageMBrass Cage
Thêm vào yêu cầu báo giá