PRODUCTS

  • Home
  • Giới thiệu sản phẩm

INA
VU300574
Slewing Ring, Four Point contact bearing, without gear teeth VU300574
Thêm vào yêu cầu báo giá
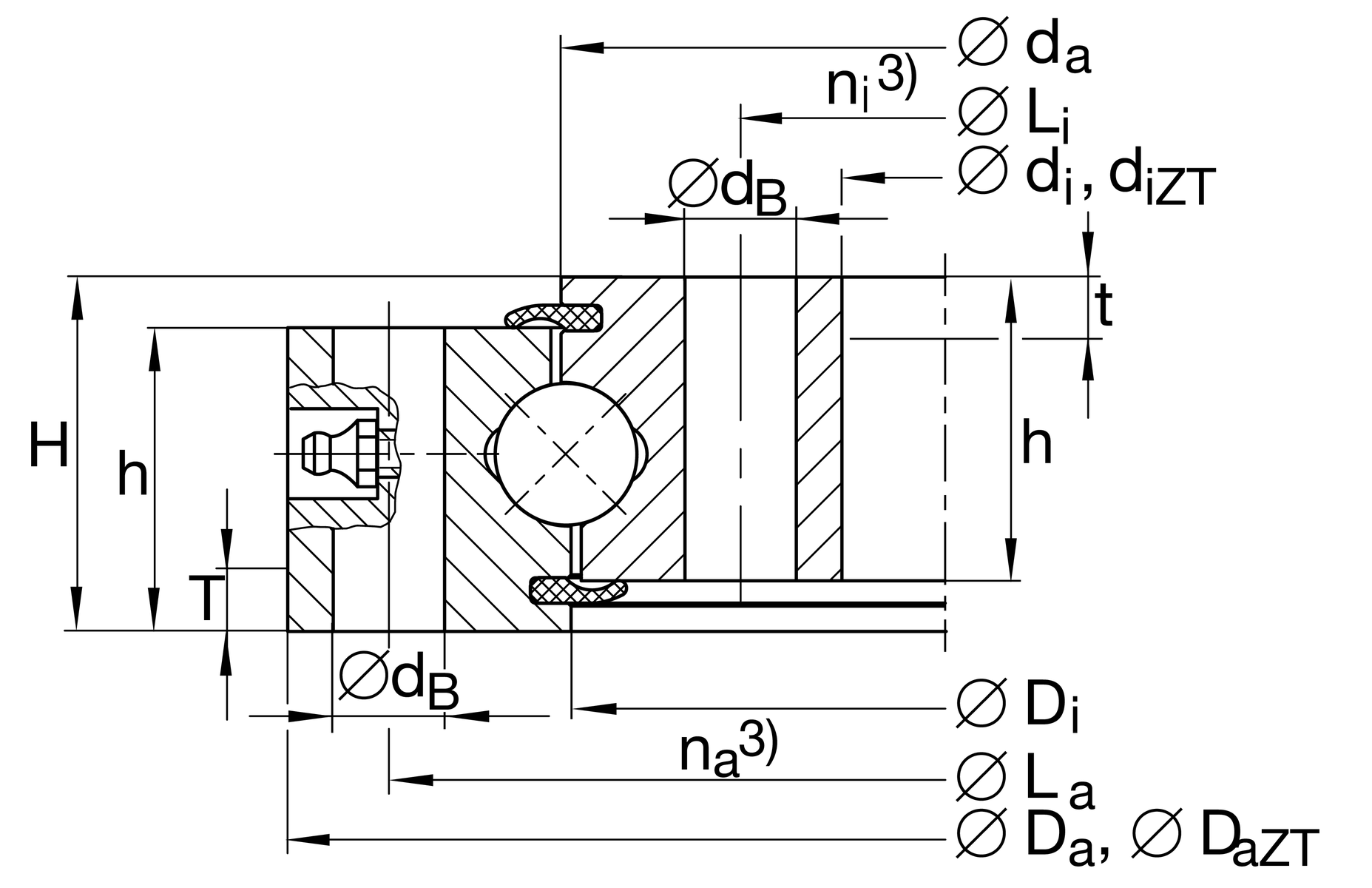
Main Dimensions & Performance Data
di
468 mm
Inner diameter inner ring
0.8 mm
Inner diameter inner ring lower tolerance
0.8 mm
Inner diameter inner ring upper tolerance
H
68 mm
Height
Da
680 mm
Outside Diameter
0.8 mm
Outside diameter lower tolerance
0.8 mm
Outside diameter upper tolerance
ha
61 mm
Width outer ring
hi
61 mm
Width inner ring
0.08 mm
Normal radial clearance min.
0.3 mm
Normal radial clearance max.
0.13 mm
Normal axial clearance min.
0.49 mm
Normal axial clearance max.
≈m
82 kg
Weight

Dimensions
Di
572 mm
Inner diameter outer ring
da
576 mm
Outside diameter inner ring
dB
22 mm
Fixing bore
La
640 mm
Pitchcircle diameter fixing holes outer ring
na
20
Number of fixing holes in outer ring
Li
508 mm
Pitchcircle diameter fixing holes inner ring
ni
20
Number of fixing holes in inner ring
Fr zul
242,000 N
Max. radial load fixing screws (friction locking)

Temperature range
Tmin
-25 °C
Operating temperature min.
Tmax
80 °C
Operating temperature max.

Calculation factors
Ca
420,000 N
Basic dynamic load rating, axial
C0a
1,480,000 N
Basic static load rating, axial
Cr
380,000 N
Basic dynamic load rating, radial (for radial load only)
C0r
680,000 N
Basic static load rating, radial (for radial load only)
Thêm vào yêu cầu báo giá