PRODUCTS

  • Home
  • Giới thiệu sản phẩm

INA
81272-M
Axial cylindrical roller bearing 81272-M
Thêm vào yêu cầu báo giá
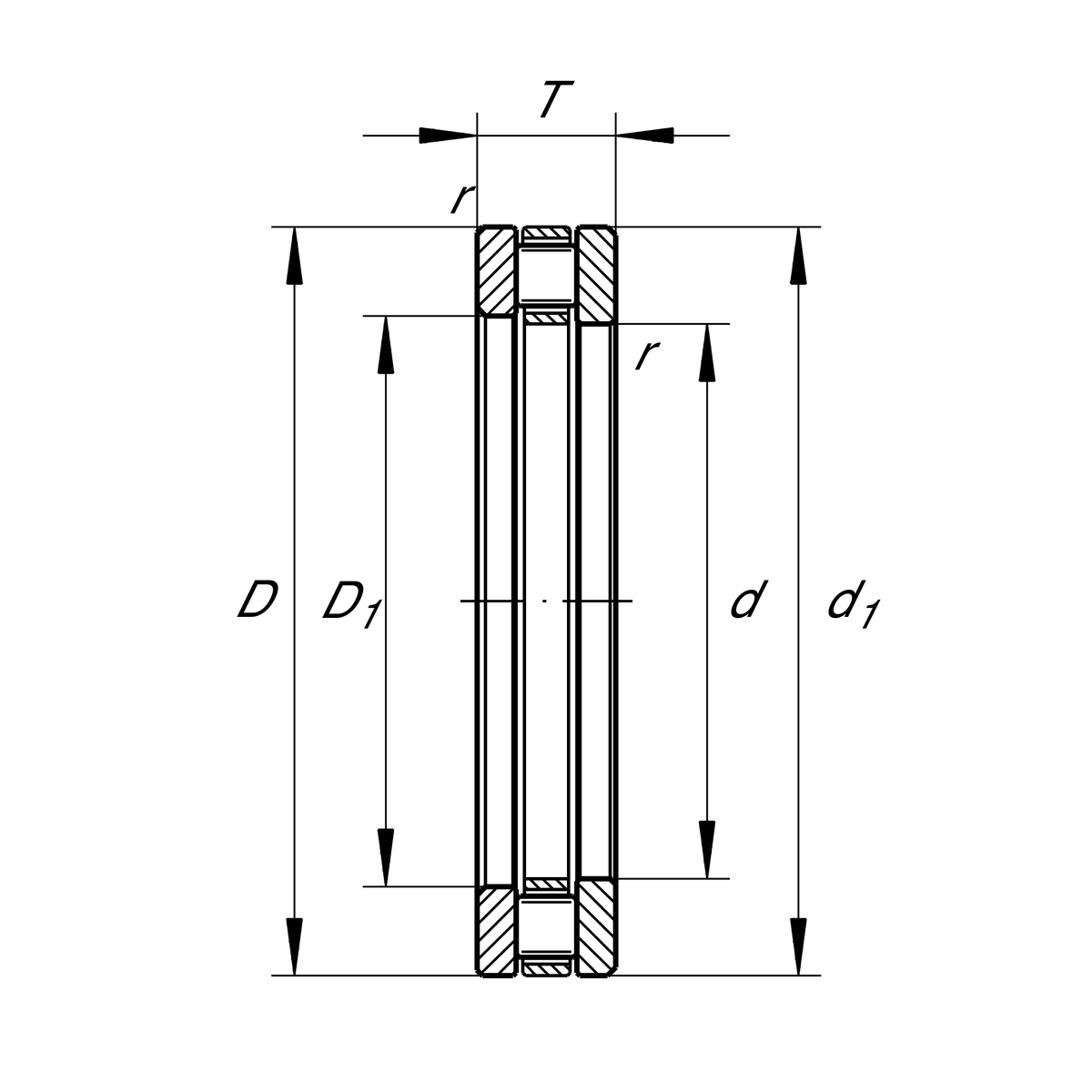
Main Dimensions & Performance Data
d
360 mm
Bore diameter
T
110 mm
Height
Ca
2,700,000 N
Basic dynamic load rating, axial
C0a
10,700,000 N
Basic static load rating, axial
Cua
880,000 N
Fatigue load limit, axial
nG
670 1/min
Limiting speed
nϑr
202 1/min
Reference speed
D
500 mm
Outside diameter
≈m
71.13 kg
Weight

Mounting dimensions
da min
492 mm
Minimum diameter shaft shoulder
Da max
393 mm
Maximum diameter of housing shoulder
ra max
4 mm
Maximum recess radius

Dimensions
D1
365 mm
Bore diameter housing washer
d1
495 mm
Rip diameter shaft washer
rmin
4 mm
Minimum chamfer dimension

Temperature range
Tmin
-30 °C
Operating temperature min.
Tmax
120 °C
Operating temperature max.

Additional information
K81272-M
Axial roller and cage assembly
GS81272
Housing Washer
WS81272
Shaft washer

Your current product variant
CageMBrass Cage
Thêm vào yêu cầu báo giá