PRODUCTS

  • Home
  • Giới thiệu sản phẩm

FAG
20310-TVP-C3
Barrel roller bearing 20310-TVP-C3
Thêm vào yêu cầu báo giá
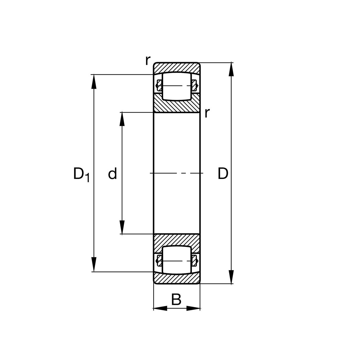
Main Dimensions & Performance Data
d
50 mm
Bore diameter
D
110 mm
Outside diameter
B
27 mm
Width
Cr
108,000 N
Basic dynamic load rating, radial
C0r
118,000 N
Basic static load rating, radial
Cur
10,600 N
Fatigue load limit, radial
nG
5,800 1/min
Limiting speed
≈m
1.31 kg
Weight

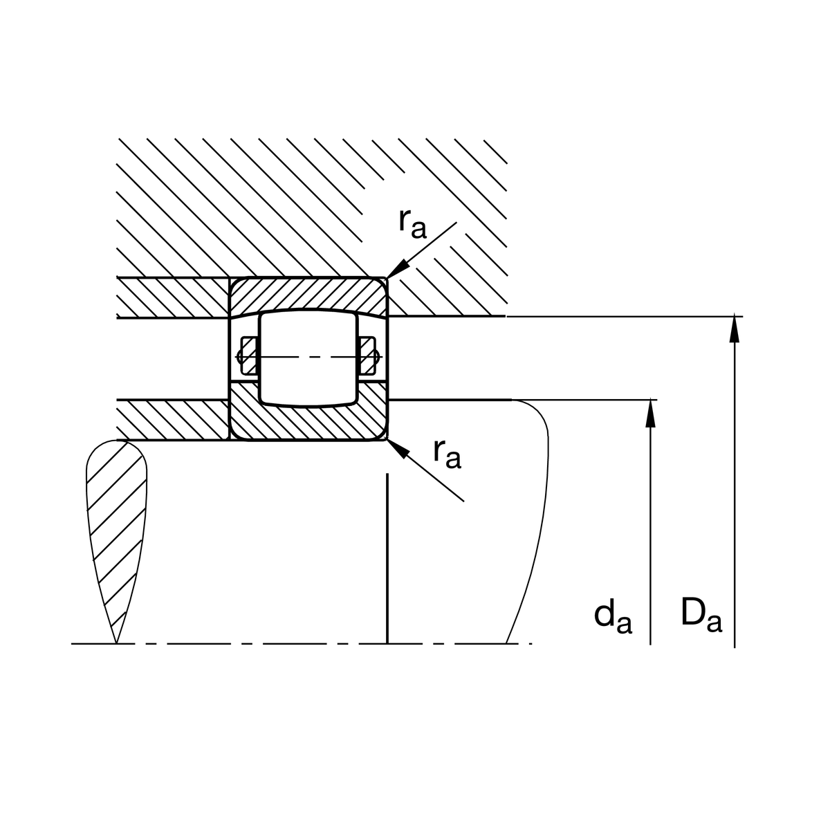
Mounting dimensions
da min
61 mm
Minimum diameter shaft shoulder
Da max
99 mm
Maximum diameter of housing shoulder
ra max
2 mm
Maximum recess radius

Dimensions
rmin
2 mm
Minimum chamfer dimension
D1
94.4 mm
Bore diameter outer ring

Temperature range
Tmin
-30 °C
Operating temperature min.
Tmax
120 °C
Operating temperature max.

Your current product variant
Bore typeZCylindrical
CageTVPPlastic cage
Radial internal clearanceC3 (Group 3)Internal clearance larger than CN
Thêm vào yêu cầu báo giá