PRODUCTS

  • Home
  • Giới thiệu sản phẩm

INA
SL185013-XL
Cylindrical roller bearing SL185013-XL
Thêm vào yêu cầu báo giá
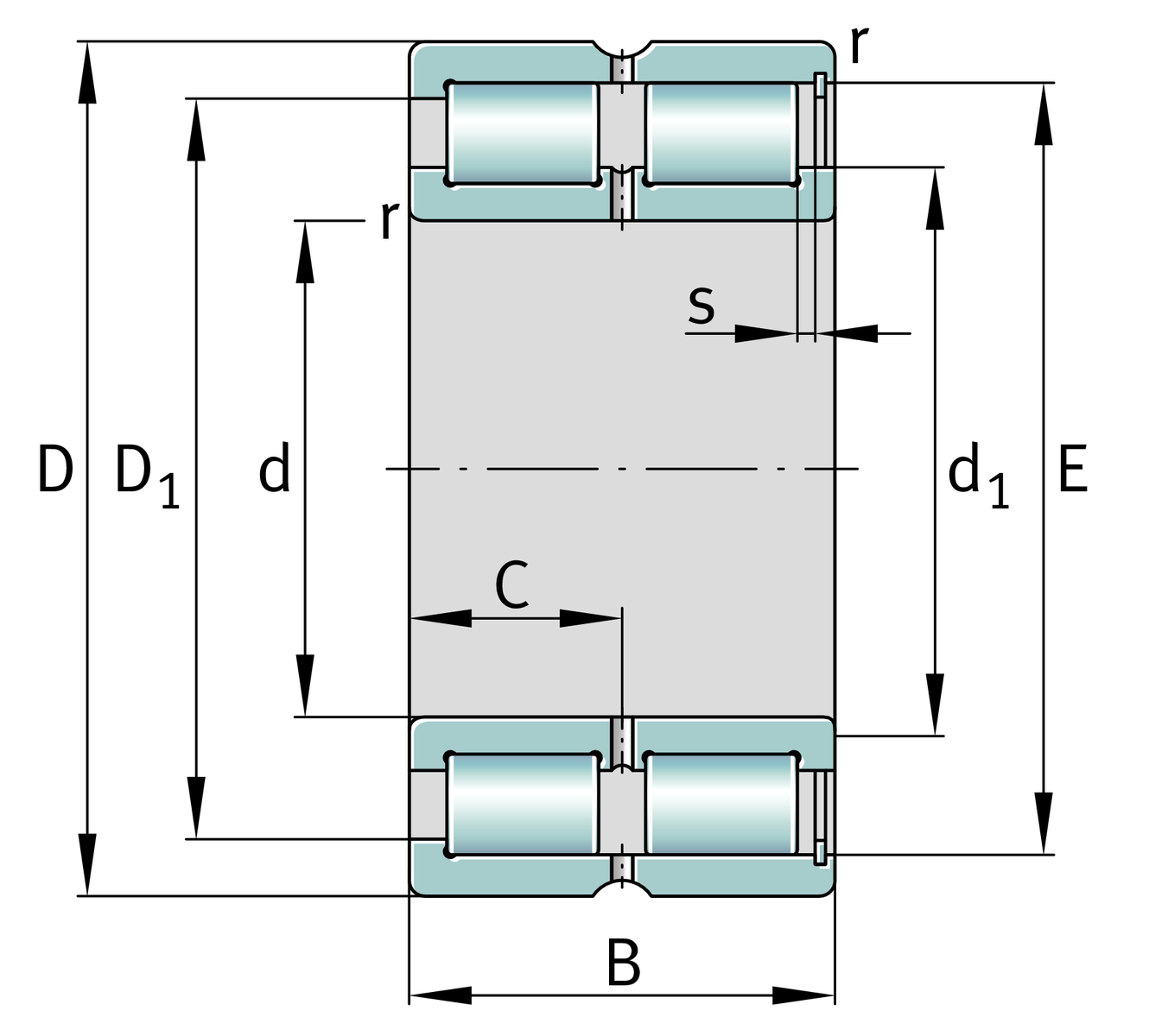
Main Dimensions & Performance Data
d
65 mm
Bore diameter
D
100 mm
Outside diameter
B
46 mm
Width
Cr
223,000 N
Basic dynamic load rating, radial
C0r
315,000 N
Basic static load rating, radial
Cur
53,000 N
Fatigue load limit, radial
nG
4,000 1/min
Limiting speed
nϑr
2,500 1/min
Reference speed
≈m
1.32 kg
Weight

Mounting dimensions
dc min
78 mm
Minimum shaft shoulder
da min
78.1 mm
Minimum diameter shaft shoulder
Da max
88.5 mm
Maximum diameter of housing shoulder
ra max
1.1 mm
Maximum recess radius
De min
88.3 mm
Minimum diameter of housing shoulder

Dimensions
rmin
1.1 mm
Minimum chamfer dimension
r1 min
2 mm
Minimum chamfer dimension
s
1.5 mm
Axial displacement
C
23 mm
Distance to lubrication hole
d1
78.1 mm
Maximum rib diameter inner ring
D1 min
88.3 mm
Minimum rib diameter outer ring
E
93.1 mm
Raceway diameter outer ring

Temperature range
Tmin
-30 °C
Operating temperature min.
Tmax
120 °C
Operating temperature max.

Your current product variant
DesignAInternal Variant A
Radial internal clearanceCN (Group N)Normal internal clearance
Tolerance classPNNormal (PN)
Number of rolling element rows2Double-row design
Thêm vào yêu cầu báo giá