PRODUCTS

  • Home
  • Giới thiệu sản phẩm

INA
81168-M
Axial cylindrical roller bearing 81168-M
Thêm vào yêu cầu báo giá
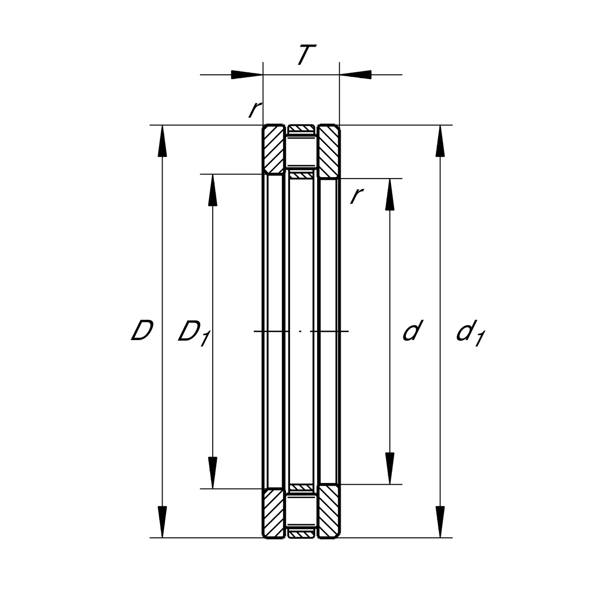
Main Dimensions & Performance Data
d
340 mm
Bore diameter
T
64 mm
Height
Ca
1,130,000 N
Basic dynamic load rating, axial
C0a
5,000,000 N
Basic static load rating, axial
Cua
410,000 N
Fatigue load limit, axial
nG
760 1/min
Limiting speed
nϑr
265 1/min
Reference speed
D
420 mm
Outside diameter
≈m
22.45 kg
Weight

Mounting dimensions
da min
414 mm
Minimum diameter shaft shoulder
Da max
354 mm
Maximum diameter of housing shoulder
ra max
2 mm
Maximum recess radius

Dimensions
D1
344 mm
Bore diameter housing washer
d1
416 mm
Rip diameter shaft washer
rmin
2 mm
Minimum chamfer dimension

Temperature range
Tmin
-30 °C
Operating temperature min.
Tmax
120 °C
Operating temperature max.

Additional information
K81168-M
Axial roller and cage assembly
GS81168
Housing Washer
WS81168
Shaft washer

Your current product variant
CageMBrass Cage
Thêm vào yêu cầu báo giá