PRODUCTS

  • Home
  • Giới thiệu sản phẩm

FAG
20313-MB-C4
Barrel roller bearing 20313-MB-C4
Thêm vào yêu cầu báo giá
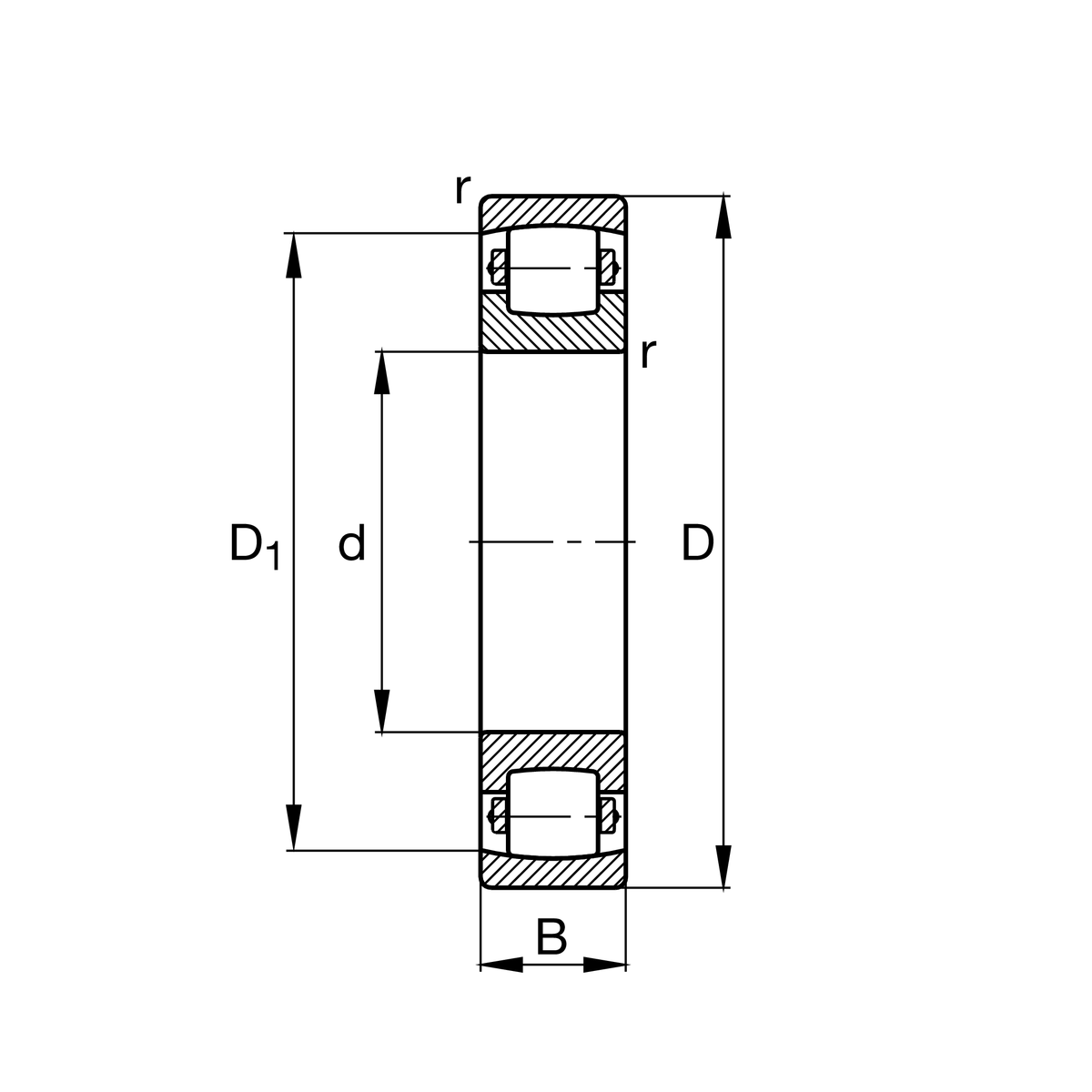
Main Dimensions & Performance Data
d
65 mm
Bore diameter
D
140 mm
Outside diameter
B
33 mm
Width
Cr
168,000 N
Basic dynamic load rating, radial
C0r
195,000 N
Basic static load rating, radial
Cur
18,200 N
Fatigue load limit, radial
nG
4,700 1/min
Limiting speed
≈m
2.61 kg
Weight

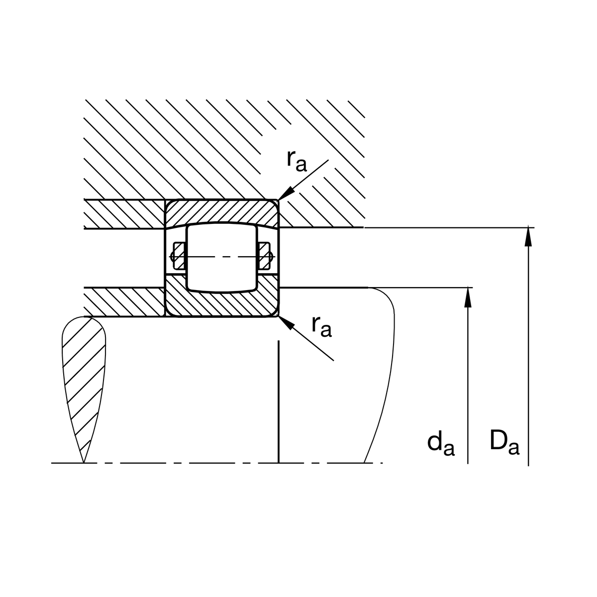
Mounting dimensions
da min
77 mm
Minimum diameter shaft shoulder
Da max
128 mm
Maximum diameter of housing shoulder
ra max
2.1 mm
Maximum recess radius

Dimensions
rmin
2.1 mm
Minimum chamfer dimension
D1
120.6 mm
Bore diameter outer ring

Temperature range
Tmin
-30 °C
Operating temperature min.
Tmax
200 °C
Operating temperature max.

Your current product variant
Bore typeZCylindrical
CageMBSolid brass cage
Radial internal clearanceC4 (Group 4)Internal clearance larger than C3
Thêm vào yêu cầu báo giá