PRODUCTS

  • Home
  • Giới thiệu sản phẩm

INA
SL185010-XL
Cylindrical roller bearing SL185010-XL
Thêm vào yêu cầu báo giá
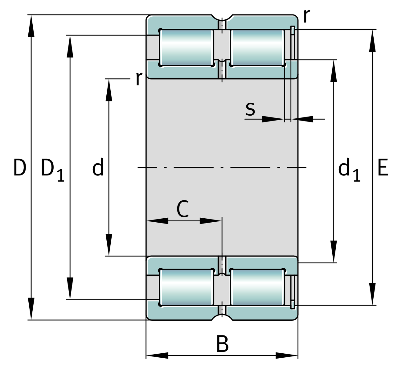
Main Dimensions & Performance Data
d
50 mm
Bore diameter
D
80 mm
Outside diameter
B
40 mm
Width
Cr
151,000 N
Basic dynamic load rating, radial
C0r
188,000 N
Basic static load rating, radial
Cur
30,500 N
Fatigue load limit, radial
nG
5,300 1/min
Limiting speed
nϑr
3,450 1/min
Reference speed
≈m
0.76 kg
Weight

Mounting dimensions
dc min
59 mm
Minimum shaft shoulder
da min
59.1 mm
Minimum diameter shaft shoulder
Da max
68 mm
Maximum diameter of housing shoulder
ra max
1 mm
Maximum recess radius
De min
67.6 mm
Minimum diameter of housing shoulder

Dimensions
rmin
1 mm
Minimum chamfer dimension
r1 min
2 mm
Minimum chamfer dimension
s
1.5 mm
Axial displacement
C
20 mm
Distance to lubrication hole
d1
59.1 mm
Maximum rib diameter inner ring
D1 min
67.6 mm
Minimum rib diameter outer ring
E
72.3 mm
Raceway diameter outer ring

Temperature range
Tmin
-30 °C
Operating temperature min.
Tmax
120 °C
Operating temperature max.

Your current product variant
DesignAInternal Variant A
Radial internal clearanceCN (Group N)Normal internal clearance
Tolerance classPNNormal (PN)
Number of rolling element rows2Double-row design
Thêm vào yêu cầu báo giá