PRODUCTS

  • Home
  • Giới thiệu sản phẩm

INA
TFE60-XL
Flanged housing unit TFE60-XL
Thêm vào yêu cầu báo giá
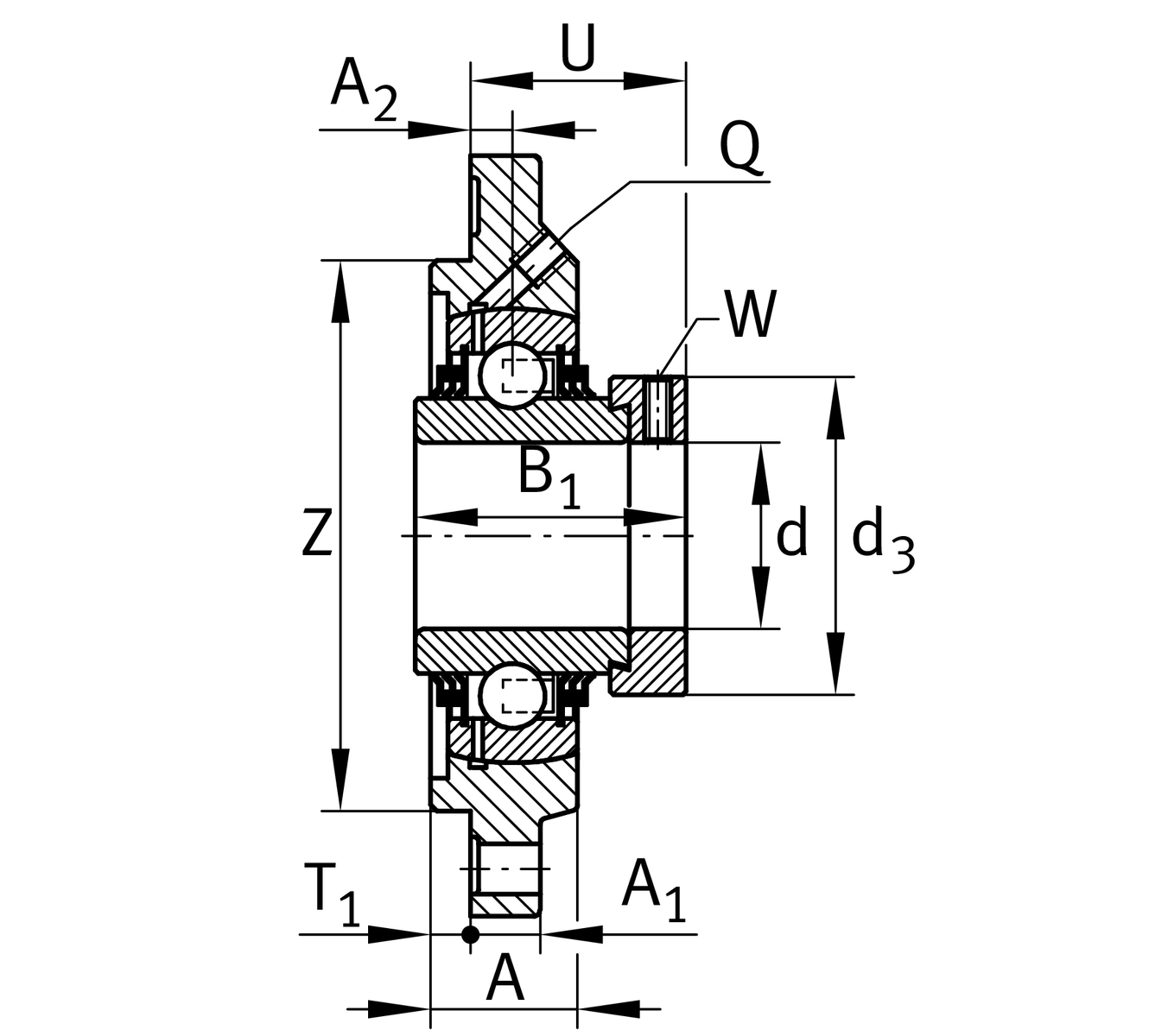
Main Dimensions & Performance Data
d
60 mm
Bore diameter
H
195 mm
Height flange
U
63.8 mm
Total height unit
Cr
52,000 N
Basic dynamic load rating, radial
C0r
36,000 N
Basic static load rating, radial
Cur
1,710 N
Fatigue load limit, radial
≈m
4.22 kg
Weight

Mounting dimensions
J
165 mm
Distance fixing bore
J
165 mm
Pitch circle diameter (holes)
N
14 mm
Fixing bore
T1
4 mm
Height spigot
Z
140 mm
Diameter spigot
h8
Diameter spigot clearance
n
4
Number of screwing holes

Dimensions
A
33 mm
Height housing
A1
16 mm
Thickness of flange
A2
17 mm
Distance raceway
B1
77.9 mm
Locking collar total width
Q
Rp1/8
Connection thread for lubrication

Additional information
1
Number of housings
FE12
Housing
GE60-XL-KTT-B
Bearing designation

Temperature range
Tmin
-20 °C
Operating temperature min.
Tmax
120 °C
Operating temperature max.

Your current product variant
MaterialGGGrey cast iron
Thêm vào yêu cầu báo giá