PRODUCTS

  • Home
  • Giới thiệu sản phẩm

INA
SL185008-XL
Cylindrical roller bearing SL185008-XL
Thêm vào yêu cầu báo giá
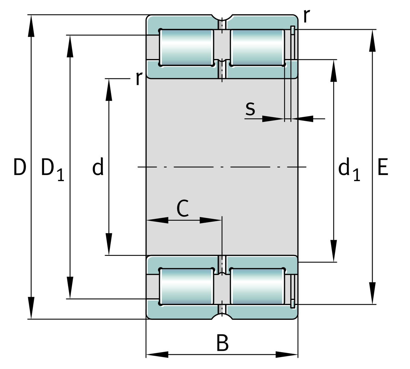
Main Dimensions & Performance Data
d
40 mm
Bore diameter
D
68 mm
Outside diameter
B
38 mm
Width
Cr
113,000 N
Basic dynamic load rating, radial
C0r
133,000 N
Basic static load rating, radial
Cur
22,800 N
Fatigue load limit, radial
nG
6,300 1/min
Limiting speed
nϑr
4,200 1/min
Reference speed
≈m
0.56 kg
Weight

Mounting dimensions
dc min
50.5 mm
Minimum shaft shoulder
da min
50.5 mm
Minimum diameter shaft shoulder
Da max
57.5 mm
Maximum diameter of housing shoulder
ra max
1 mm
Maximum recess radius
De min
57.2 mm
Minimum diameter of housing shoulder

Dimensions
rmin
1 mm
Minimum chamfer dimension
r1 min
1.5 mm
Minimum chamfer dimension
s
1.5 mm
Axial displacement
C
19 mm
Distance to lubrication hole
d1
50.5 mm
Maximum rib diameter inner ring
D1 min
57.2 mm
Minimum rib diameter outer ring
E
61.7 mm
Raceway diameter outer ring

Temperature range
Tmin
-30 °C
Operating temperature min.
Tmax
120 °C
Operating temperature max.

Your current product variant
DesignAInternal Variant A
Radial internal clearanceCN (Group N)Normal internal clearance
Tolerance classPNNormal (PN)
Number of rolling element rows2Double-row design
Thêm vào yêu cầu báo giá