PRODUCTS
- Home
- Giới thiệu sản phẩm
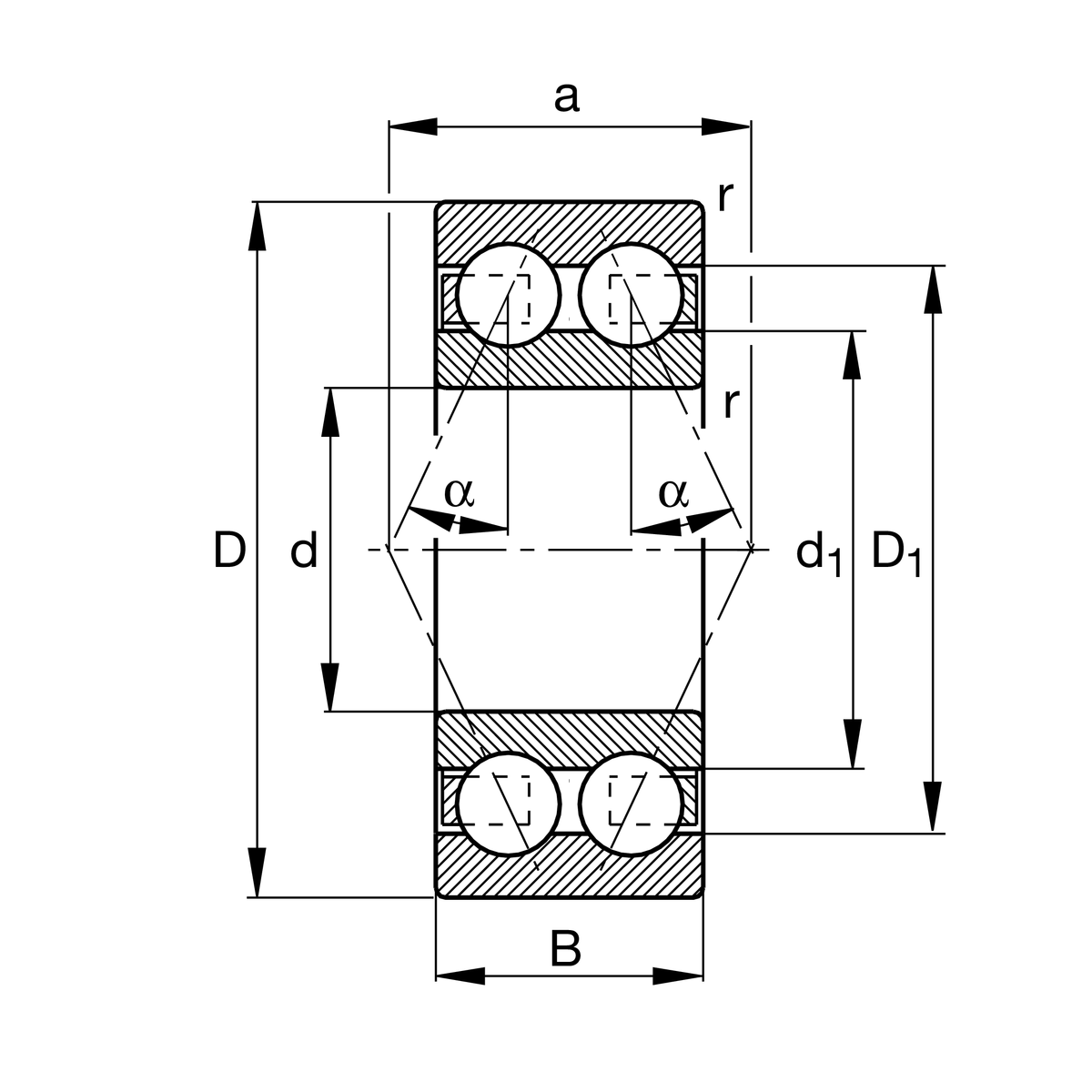
| d | 60 mm | Bore diameter |
| D | 78 mm | Outside diameter |
| B | 14 mm | Width |
| Cr | 14,200 N | Basic dynamic load rating, radial |
| C0r | 17,100 N | Basic static load rating, radial |
| Cur | 970 N | Fatigue load limit, radial |
| nG | 8,800 1/min | Limiting speed |
| nϑr | 4,700 1/min | Reference speed |
| ≈m | 0.146 kg | Weight |
| da min | 62 mm | Minimum diameter shaft shoulder |
| Da max | 76 mm | Maximum diameter of housing shoulder |
| ra max | 0.3 mm | Maximum fillet radius |
| rmin | 0.3 mm | Minimum chamfer dimension |
| D1 | 72.88 mm | Shoulder diameter outer ring |
| D2 | 74.72 mm | Caliber diameter outer ring |
| d1 | 67.1 mm | Shoulder diameter inner ring |
| d2 | 65.68 mm | Caliber diamter inner ring |
| a | 38.1 mm | Distance between the apexes of the pressure cones |
| α | 25 ° | Contact angle |
| Tmin | -30 °C | Operating temperature min. |
| Tmax | 120 °C | Operating temperature max. |
| Design variant | B | Bearing without filling slot |
| Sealing | Without | Not sealed |
| Cage | TVH | solid cage made of glass-fiber reinforced polyamid PA66 |
| Tolerance class | PN | Normal (PN) |
| Dimensional / heat stabilization | SN | Rings dimensional stabilized up to 120° |
| Lubricant | Without | Bearing not greased |
| Axial internal clearance | CN | Group N (CN) |