PRODUCTS

  • Home
  • Giới thiệu sản phẩm

INA
XU060094-RR
Slewing ring, Crossed roller bearing, without gear teeth XU060094-RR
Thêm vào yêu cầu báo giá
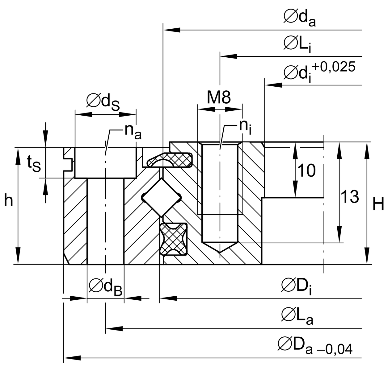
Main Dimensions & Performance Data
di
57 mm
Bore Diameter
0.025 mm
Bore diameter upper tolerance
0 mm
Bore diameter lower tolerance
t
10 mm
Length centering inner ring
Da
140 mm
Outside Diameter
0 mm
Outside diameter upper tolerance
-0.04 mm
Outside diameter lower tolerance
H
26 mm
Height
≈m
2.2 kg
Weight

Dimensions
ha
25 mm
height outer ring
La
120 mm
Pitchcircle diameter fixing holes outer ring
na
6
Number of fixing holes in outer ring
dB
9 mm
Fixing bore
dS
15 mm
Counterbore diameter of fixing holes
tS
6 mm
Counterbore depth of fixing holes
Li
70 mm
Pitchcircle diameter fixing holes inner ring
ni
6
Number of fixing holes in inner ring
M8
Tread fixing bore
tG
13 mm
Thread depth
VSPmin
0.005 mm
Min. bearing preload
VSPmax
0.008 mm
Maximum bearing preload

Temperature range
Tmin
-30 °C
Operating temperature min.
Tmax
80 °C
Operating temperature max.

Calculation factors
Ca
30,000 N
Basic dynamic load rating, axial
Cr
21,600 N
Basic dynamic load rating, radial (for radial load only)
C0a
49,500 N
Basic static load rating, axial
C0r
24,400 N
Basic static load rating, radial (for radial load only)
Fr zu.
9,200 N
Max. radial load screws

Your current product variant
CoatingRRProtected against corrosion by Corrotect special coating
Thêm vào yêu cầu báo giá