PRODUCTS

  • Home
  • Giới thiệu sản phẩm

INA
XU300515
Slewing ring, Crossed roller bearing, without gear teeth XU300515
Thêm vào yêu cầu báo giá
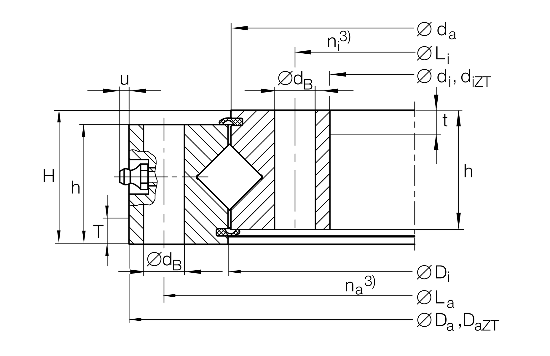
Main Dimensions & Performance Data
di
384 mm
Bore Diameter
Da
646 mm
Outside Diameter
H
86 mm
Height
≈m
114.8 kg
Weight

Dimensions
Di
516 mm
Inner diameter outer ring
ha
79 mm
height outer ring
La
598 mm
Pitchcircle diameter fixing holes outer ring
na
18
Number of fixing holes in outer ring
da
514 mm
Outside diameter inner ring
hi
79 mm
height of inner ring
dB
26 mm
Fixing bore
Li
432 mm
Pitchcircle diameter fixing holes inner ring
ni
18
Number of fixing holes in inner ring
VSPmin
0 mm
Min. bearing preload
VSPmax
0.03 mm
Maximum bearing preload

Temperature range
Tmin
-30 °C
Operating temperature min.
Tmax
80 °C
Operating temperature max.

Calculation factors
Ca
650,000 N
Basic dynamic load rating, axial
Cr
460,000 N
Basic dynamic load rating, radial (for radial load only)
C0a
1,300,000 N
Basic static load rating, axial
C0r
640,000 N
Basic static load rating, radial (for radial load only)
Fr zu.
313,200 N
Max. radial load screws
Thêm vào yêu cầu báo giá