PRODUCTS

  • Home
  • Giới thiệu sản phẩm

INA
SL185072-TB
Cylindrical roller bearing SL185072-TB
Thêm vào yêu cầu báo giá
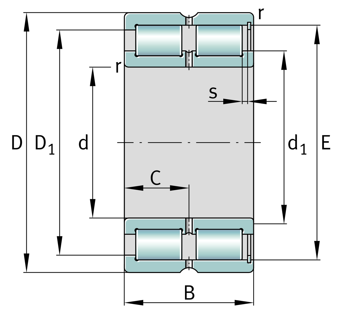
Main Dimensions & Performance Data
d
360 mm
Bore diameter
D
540 mm
Outside diameter
B
243 mm
Width
Cr
4,400,000 N
Basic dynamic load rating, radial
C0r
8,700,000 N
Basic static load rating, radial
Cur
840,000 N
Fatigue load limit, radial
nG
680 1/min
Limiting speed
nϑr
320 1/min
Reference speed
≈m
178 kg
Weight

Mounting dimensions
dc min
413.5 mm
Minimum shaft shoulder
da min
415 mm
Minimum diameter shaft shoulder
Da max
481 mm
Maximum diameter of housing shoulder
ra max
5 mm
Maximum recess radius
De min
481 mm
Minimum diameter of housing shoulder

Dimensions
rmin
5 mm
Minimum chamfer dimension
r1 min
5 mm
Minimum chamfer dimension
s
14 mm
Axial displacement
C
121.5 mm
Distance to lubrication hole
d1
415 mm
Maximum rib diameter inner ring
D1 min
481 mm
Minimum rib diameter outer ring
E
503.5 mm
Raceway diameter outer ring

Temperature range
Tmin
-30 °C
Operating temperature min.
Tmax
120 °C
Operating temperature max.

Your current product variant
DesignTBBearings with increased axial load capacity
Radial internal clearanceCN (Group N)Normal internal clearance
Tolerance classPNNormal (PN)
Number of rolling element rows2Double-row design
Thêm vào yêu cầu báo giá