PRODUCTS

  • Home
  • Giới thiệu sản phẩm

INA
CSXD140
Four-point contact bearing CSXD140
Thêm vào yêu cầu báo giá
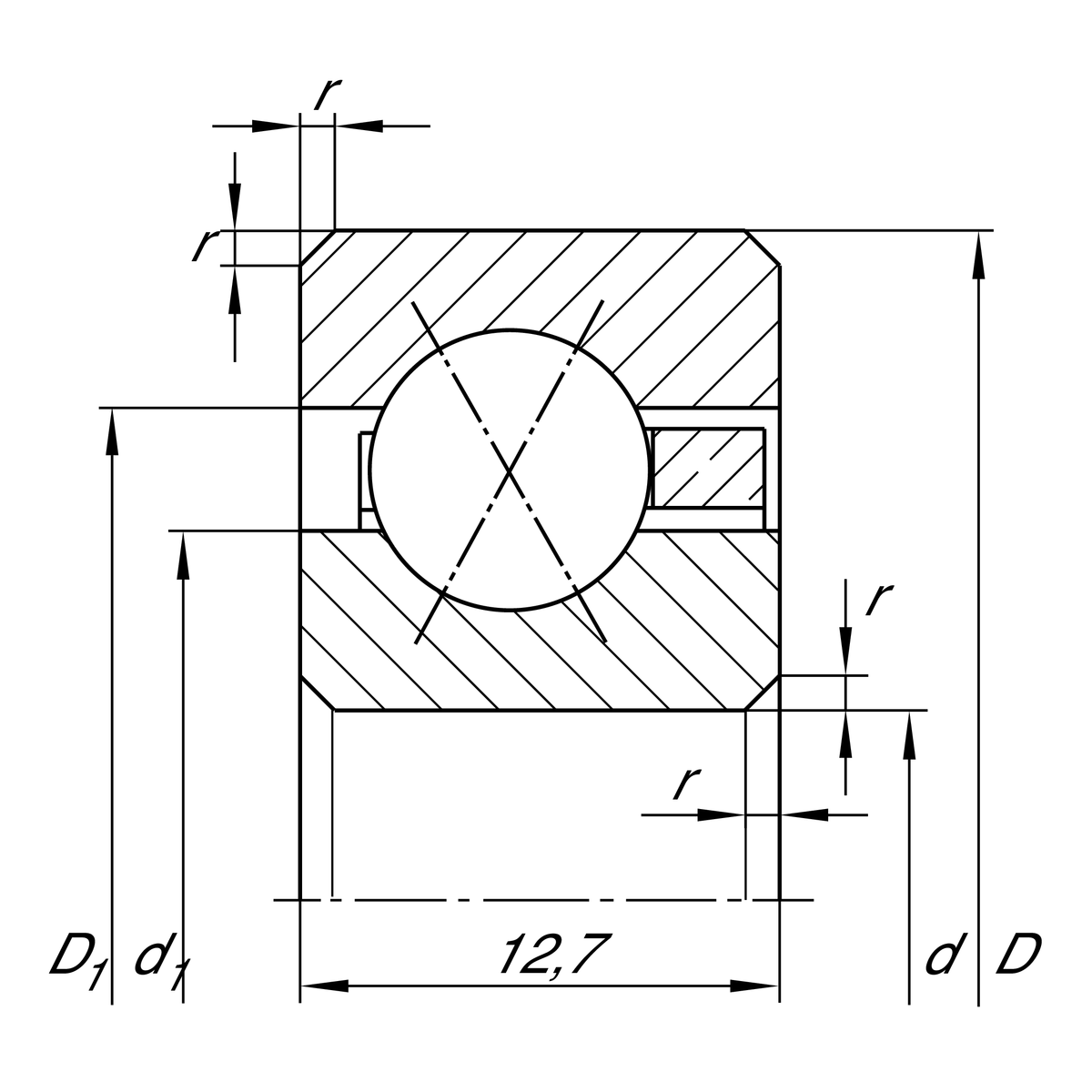
Main Dimensions & Performance Data
d
355.6 mm
Bore diameter
D
381 mm
Outside diameter
B
12.7 mm
Width
Cr
25,500 N
Basic dynamic load rating, radial
C0r
70,000 N
Basic static load rating, radial
nG
720 1/min
Limiting speed
≈m
1.24 kg
Weight

Dimensions
rmin
1.5 mm
Minimum chamfer dimension
d1
365 mm
Shoulder diameter inner ring
D1
371.6 mm
Shoulder diameter outer ring
α
30 °
Contact angle

Temperature range
Tmin
-30 °C
Operating temperature min.
Tmax
120 °C
Operating temperature max.

Your current product variant
Logistical codeHLE-
SealingWithoutNot sealed
CageYHbrass sheet metal
Tolerance classPL1Class PL1, Normal
LubricantWithoutBearing not greased
Radial internal clearancePL1Class PL1, Normal
Thêm vào yêu cầu báo giá