PRODUCTS

  • Home
  • Giới thiệu sản phẩm

INA
VU250433
Slewing Ring, Four Point contact bearing, without gear teeth VU250433
Thêm vào yêu cầu báo giá
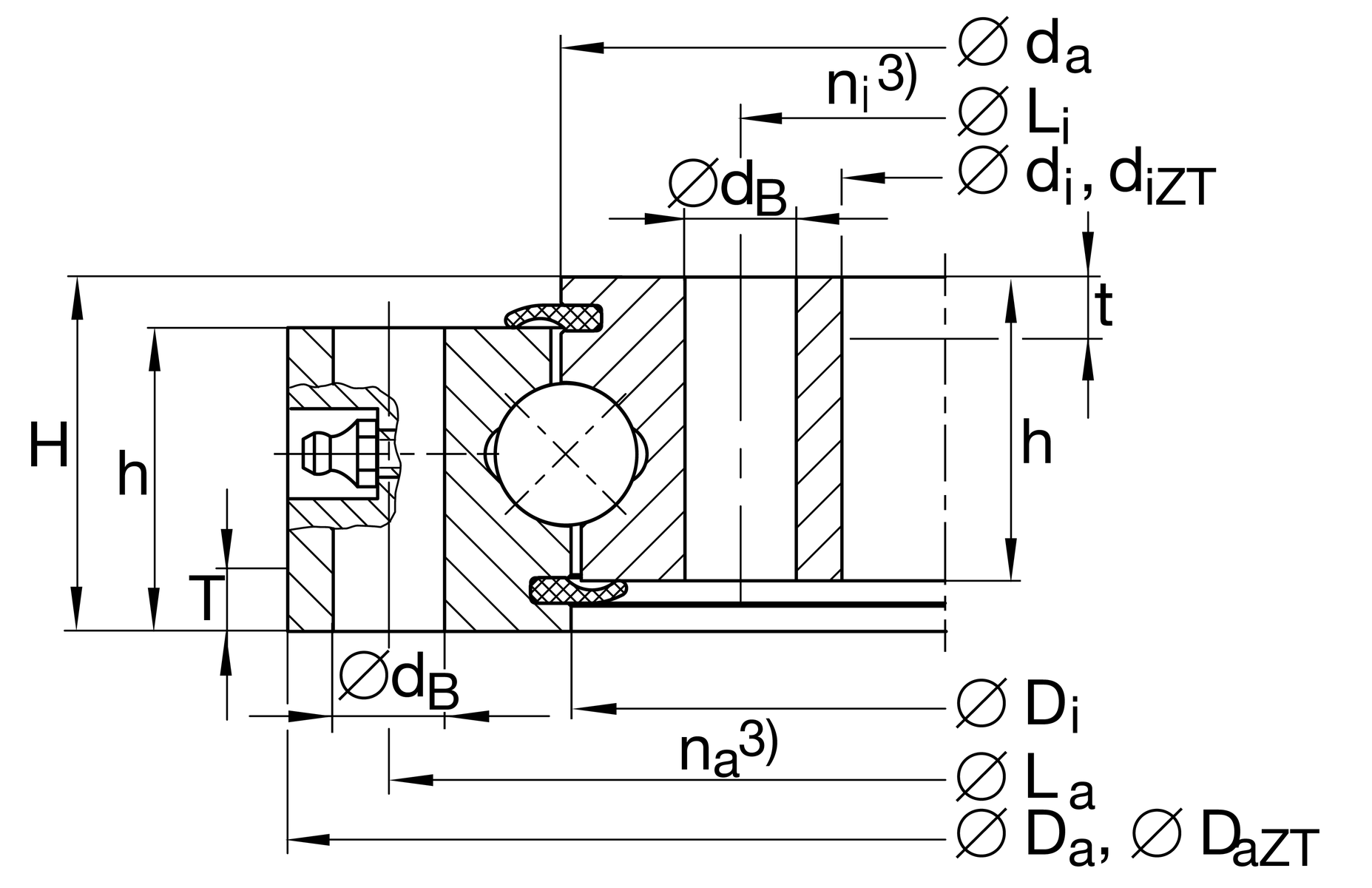
Main Dimensions & Performance Data
di
344 mm
Inner diameter inner ring
0.5 mm
Inner diameter inner ring lower tolerance
0.5 mm
Inner diameter inner ring upper tolerance
H
55 mm
Height
Da
522 mm
Outside Diameter
0.8 mm
Outside diameter lower tolerance
0.8 mm
Outside diameter upper tolerance
ha
50 mm
Width outer ring
hi
50 mm
Width inner ring
0.06 mm
Normal radial clearance min.
0.25 mm
Normal radial clearance max.
0.11 mm
Normal axial clearance min.
0.41 mm
Normal axial clearance max.
≈m
41.023 kg
Weight

Dimensions
Di
432 mm
Inner diameter outer ring
da
434 mm
Outside diameter inner ring
dB
18 mm
Fixing bore
La
490 mm
Pitchcircle diameter fixing holes outer ring
na
20
Number of fixing holes in outer ring
Li
376 mm
Pitchcircle diameter fixing holes inner ring
ni
20
Number of fixing holes in inner ring
Fr zul
156,000 N
Max. radial load fixing screws (friction locking)

Temperature range
Tmin
-25 °C
Operating temperature min.
Tmax
80 °C
Operating temperature max.

Calculation factors
Ca
315,000 N
Basic dynamic load rating, axial
C0a
910,000 N
Basic static load rating, axial
Cr
285,000 N
Basic dynamic load rating, radial (for radial load only)
C0r
415,000 N
Basic static load rating, radial (for radial load only)
Thêm vào yêu cầu báo giá