PRODUCTS

  • Home
  • Giới thiệu sản phẩm

INA
XU160405-RR
Slewing ring, Crossed roller bearing, without gear teeth XU160405-RR
Thêm vào yêu cầu báo giá
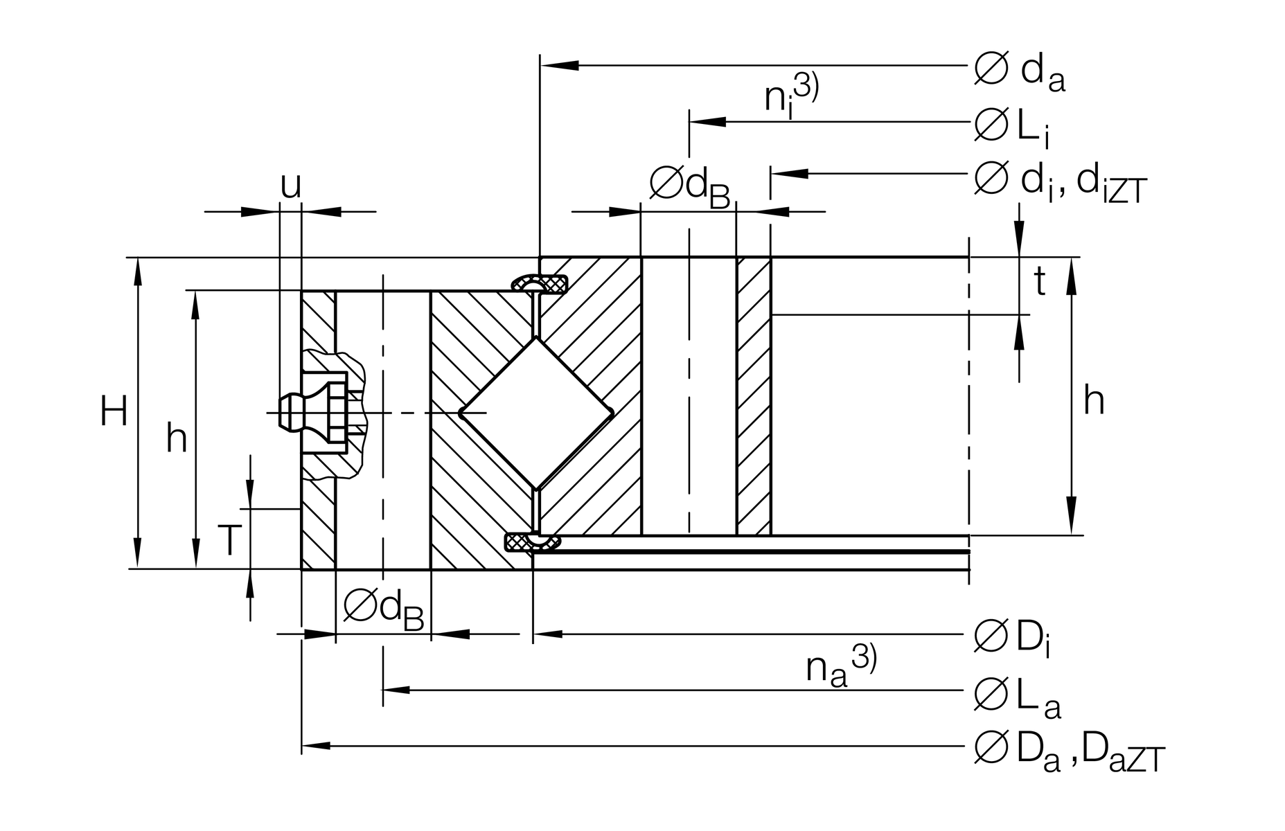
Main Dimensions & Performance Data
di
336 mm
Bore Diameter
Da
474 mm
Outside Diameter
H
46 mm
Height
≈m
25 kg
Weight

Dimensions
Di
406 mm
Inner diameter outer ring
ha
41 mm
height outer ring
La
450 mm
Pitchcircle diameter fixing holes outer ring
na
30
Number of fixing holes in outer ring
da
404 mm
Outside diameter inner ring
hi
41 mm
height of inner ring
dB
14 mm
Fixing bore
Li
360 mm
Pitchcircle diameter fixing holes inner ring
ni
30
Number of fixing holes in inner ring
umax
3.5 mm
Max. protrusion lubrication nipple
VSPmin
0 mm
Min. bearing preload
VSPmax
0.02 mm
Maximum bearing preload

Temperature range
Tmin
-30 °C
Operating temperature min.
Tmax
80 °C
Operating temperature max.

Calculation factors
Ca
250,000 N
Basic dynamic load rating, axial
Cr
179,000 N
Basic dynamic load rating, radial (for radial load only)
C0a
630,000 N
Basic static load rating, axial
C0r
310,000 N
Basic static load rating, radial (for radial load only)
Fr zu.
123,900 N
Max. radial load screws

Your current product variant
CoatingRRProtected against corrosion by Corrotect special coating
Thêm vào yêu cầu báo giá