PRODUCTS

  • Home
  • Giới thiệu sản phẩm

FAG
16068-M
Deep groove ball bearing 16068-M
Thêm vào yêu cầu báo giá
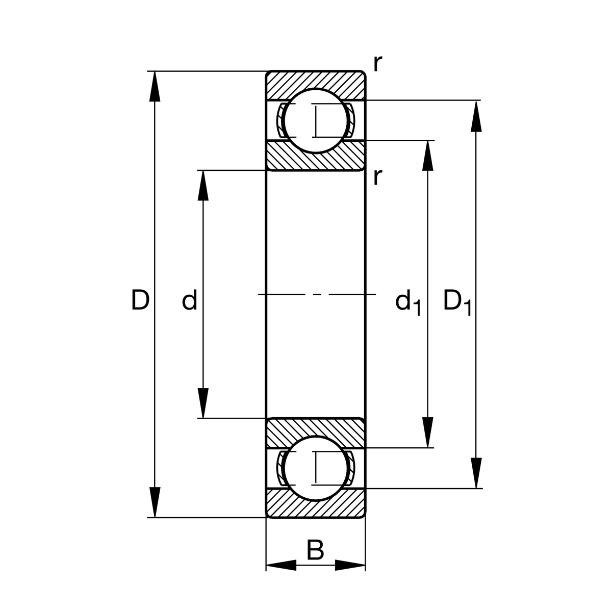
Main Dimensions & Performance Data
d
340 mm
Bore diameter
D
520 mm
Outside diameter
B
57 mm
Width
Cr
355,000 N
Basic dynamic load rating, radial
C0r
550,000 N
Basic static load rating, radial
Cur
15,700 N
Fatigue load limit, radial
nG
2,140 1/min
Limiting speed
nϑr
1,460 1/min
Reference speed
≈m
62.5 kg
Weight

Mounting dimensions
da min
354.6 mm
Minimum diameter shaft shoulder
Da max
505.4 mm
Maximum diameter of housing shoulder
ra max
3 mm
Maximum fillet radius

Dimensions
rmin
4 mm
Minimum chamfer dimension
D1
457.1 mm
Shoulder diameter outer ring
d1
403.6 mm
Shoulder diameter inner ring

Temperature range
Tmin
-30 °C
Operating temperature min.
Tmax
200 °C
Operating temperature max.

Calculation factors
f0
16.4
Calculation factor

Your current product variant
SealingWithoutNot sealed
CageMsolid brass cage, rolling element guided
Tolerance classPNNormal (PN)
Dimensional / heat stabilization S1Rings dimensional stabilized up to 200°
LubricantWithoutBearing not greased
Bore typeZCylindrical
Radial internal clearanceCN (Group N)Normal internal clearance
Thêm vào yêu cầu báo giá