PRODUCTS

  • Home
  • Giới thiệu sản phẩm

INA
VU200405
Slewing Ring, Four Point contact bearing, without gear teeth VU200405
Thêm vào yêu cầu báo giá
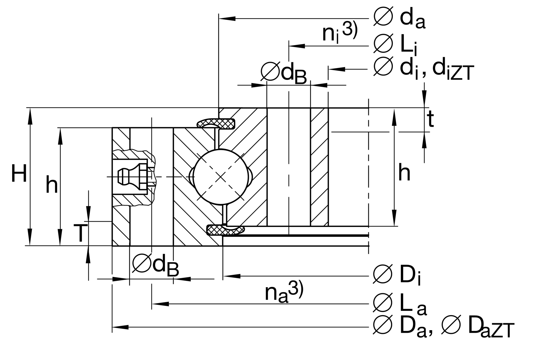
Main Dimensions & Performance Data
di
336 mm
Inner diameter inner ring
0.5 mm
Inner diameter inner ring lower tolerance
0.5 mm
Inner diameter inner ring upper tolerance
H
46 mm
Height
Da
474 mm
Outside Diameter
0.8 mm
Outside diameter lower tolerance
0.8 mm
Outside diameter upper tolerance
ha
41 mm
Width outer ring
hi
41 mm
Width inner ring
0.05 mm
Normal radial clearance min.
0.2 mm
Normal radial clearance max.
0.08 mm
Normal axial clearance min.
0.33 mm
Normal axial clearance max.
≈m
25.05 kg
Weight

Dimensions
Di
404 mm
Inner diameter outer ring
da
406 mm
Outside diameter inner ring
dB
14 mm
Fixing bore
La
450 mm
Pitchcircle diameter fixing holes outer ring
na
30
Number of fixing holes in outer ring
Li
360 mm
Pitchcircle diameter fixing holes inner ring
ni
30
Number of fixing holes in inner ring
Fr zul
123,900 N
Max. radial load fixing screws (friction locking)

Temperature range
Tmin
-25 °C
Operating temperature min.
Tmax
80 °C
Operating temperature max.

Calculation factors
Ca
204,000 N
Basic dynamic load rating, axial
C0a
860,000 N
Basic static load rating, axial
Cr
185,000 N
Basic dynamic load rating, radial (for radial load only)
C0r
390,000 N
Basic static load rating, radial (for radial load only)
Thêm vào yêu cầu báo giá