PRODUCTS
- Home
- Giới thiệu sản phẩm
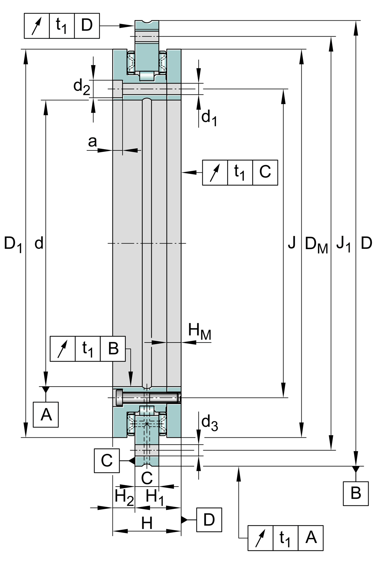
| d | 325 mm | Bore diameter |
0 mm | Bore diameter upper tolerance | |
-0.023 mm | Bore diameter lower tolerance | |
| D | 450 mm | Outside diameter |
0 mm | Outside diameter upper tolerance | |
-0.023 mm | Outside diameter lower tolerance | |
| H | 60 mm | Height |
| Cr | 183,000 N | Basic dynamic load rating, radial |
| C0r | 530,000 N | Basic static load rating, radial |
| Ca | 247,000 N | Basic dynamic load rating, axial |
| C0a | 1,900,000 N | Basic static load rating, axial |
| nG | 200 1/min | Limiting speed |
| MR | 13 Nm | Bearing friction torque at 5 1/min |
| ≈m | 24.457 kg | Weight |
| J | 342 mm | Pitch circle diameter fixing holes in inner ring |
| J1 | 430 mm | Pitch circle diameter fixing holes in outer ring |
| d1 | 9.3 mm | Fixing holes diameter inner ring |
| d2 | 15 mm | Counterbore diameter of fixing holes |
| a | 8.2 mm | Counterbore depth of fixing holes |
34 | Quantity of fixing holes inner ring | |
| d3 | 9.3 mm | Fixing holes diameter outer ring |
33 | Quantity of fixing holes outer ring | |
| n | 36 | Pitch quantity |
| t | 10 ° | Pitch separation angle |
| G | M12 | Threaded extraction hole |
3 | Quantity of threaded extraction hole | |
| MA | 34 Nm | Screw tightening torque |
2 | Quantity of retaining screws | |
| t1 | 6 µm | Axial and radial runout, measurement standard; Measured on mounted bearing, with ideal adjacent construction. |
| H1 | 40 mm | Height contact face outer ring |
0.05 mm | Height contact face outerring H1 upper tolerance | |
-0.05 mm | Height contact face outerring H1 lower tolerance | |
| H2 | 20 mm | Height contact face outer ring |
0.025 mm | Height contact face outerring H2 upper tolerance | |
-0.025 mm | Height contact face outerring H2 lower tolerance | |
| HM | 15 mm | Height shaft washer |
| D1 max | 415.1 mm | Maximum diameter inner ring |
| DM | 412.45 mm | Diameter of dimensional scale on shaft locating washer |
| C | 20 mm | Width of outer ring |
| Tmin | -30 °C | Operating temperature min. |
| Tmax | 120 °C | Operating temperature max. |
| caL | 7,100 N/µm | Axial rigidity of bearing position |
| crL | 6,300 N/µm | Radial rigidity of bearing position |
| ckL | 159,000 Nm/mrad | Tilting rigidity of bearing position |
| caL | 33,000 N/µm | Axial rigidity of rolling element set |
| crL | 9,900 N/µm | Radial rigidity of rolling element set |
| ckL | 633,000 Nm/mrad | Tilting rigidity of rolling element set |