PRODUCTS

  • Home
  • Giới thiệu sản phẩm

INA
SL185064-TB
Cylindrical roller bearing SL185064-TB
Thêm vào yêu cầu báo giá
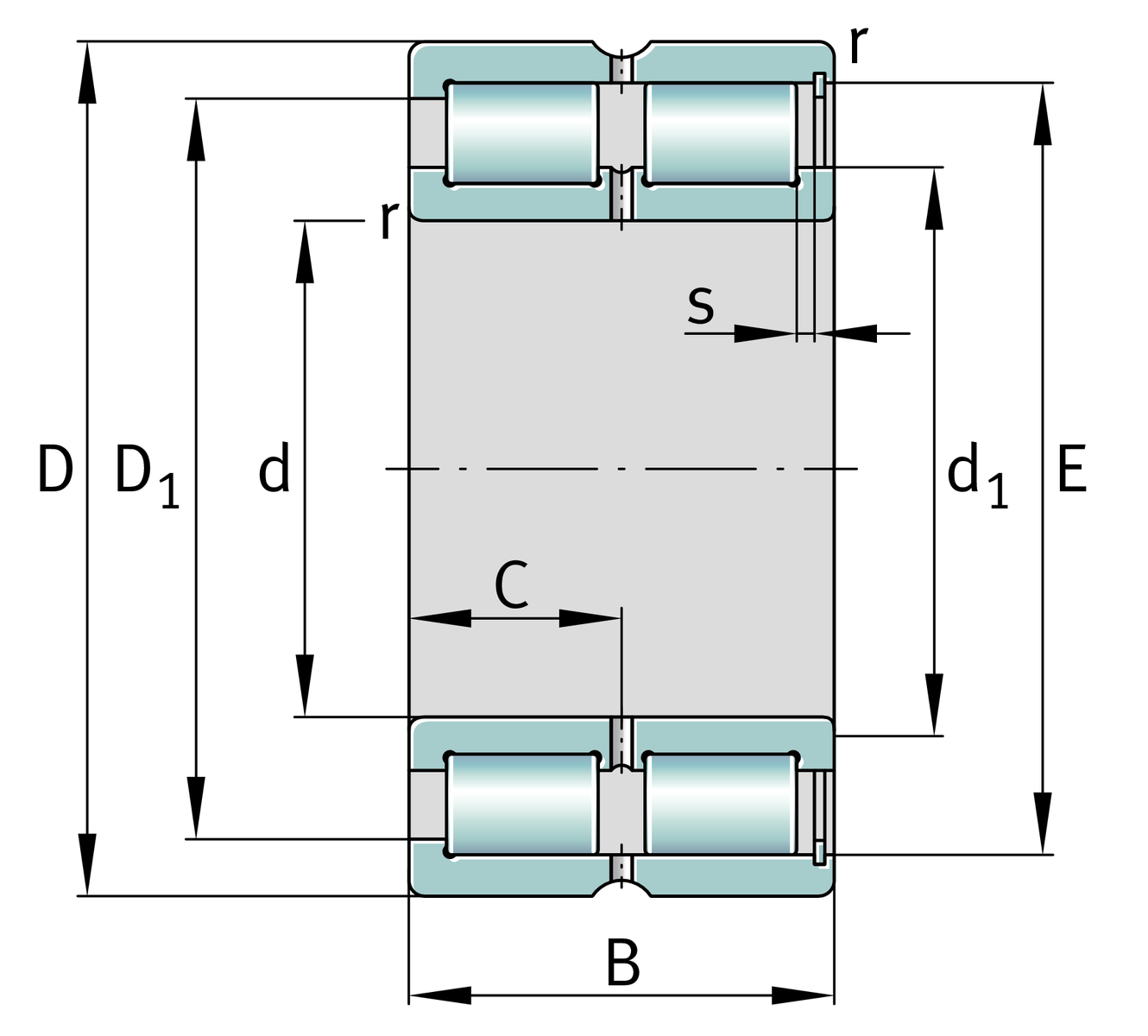
Main Dimensions & Performance Data
d
320 mm
Bore diameter
D
480 mm
Outside diameter
B
218 mm
Width
Cr
3,550,000 N
Basic dynamic load rating, radial
C0r
6,900,000 N
Basic static load rating, radial
Cur
690,000 N
Fatigue load limit, radial
nG
770 1/min
Limiting speed
nϑr
375 1/min
Reference speed
≈m
128.4 kg
Weight

Mounting dimensions
dc min
369.5 mm
Minimum shaft shoulder
da min
369.5 mm
Minimum diameter shaft shoulder
Da max
431.5 mm
Maximum diameter of housing shoulder
ra max
4 mm
Maximum recess radius
De min
431.5 mm
Minimum diameter of housing shoulder

Dimensions
rmin
4 mm
Minimum chamfer dimension
r1 min
4 mm
Minimum chamfer dimension
s
12.5 mm
Axial displacement
C
109 mm
Distance to lubrication hole
d1
369.5 mm
Maximum rib diameter inner ring
D1 min
431.5 mm
Minimum rib diameter outer ring
E
449.5 mm
Raceway diameter outer ring

Temperature range
Tmin
-30 °C
Operating temperature min.
Tmax
120 °C
Operating temperature max.

Your current product variant
DesignTBBearings with increased axial load capacity
Radial internal clearanceCN (Group N)Normal internal clearance
Tolerance classPNNormal (PN)
Number of rolling element rows2Double-row design
Thêm vào yêu cầu báo giá