PRODUCTS

  • Home
  • Giới thiệu sản phẩm

FAG
20311-TVP-C3
Barrel roller bearing 20311-TVP-C3
Thêm vào yêu cầu báo giá
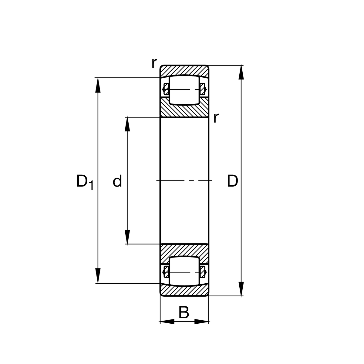
Main Dimensions & Performance Data
d
55 mm
Bore diameter
D
120 mm
Outside diameter
B
29 mm
Width
Cr
120,000 N
Basic dynamic load rating, radial
C0r
138,000 N
Basic static load rating, radial
Cur
12,600 N
Fatigue load limit, radial
nG
5,400 1/min
Limiting speed
≈m
1.67 kg
Weight

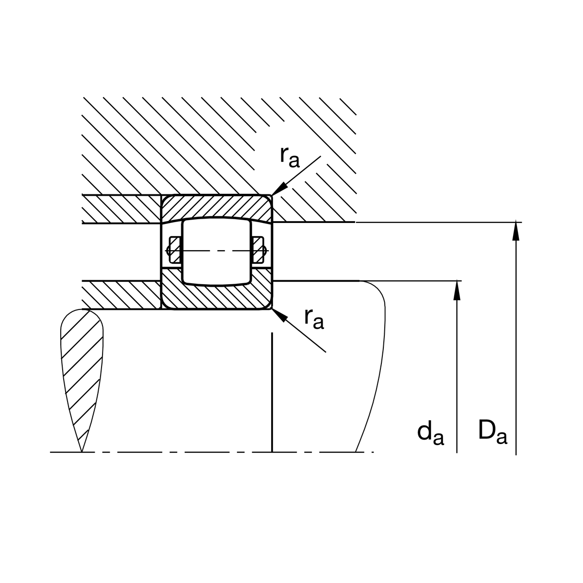
Mounting dimensions
da min
66 mm
Minimum diameter shaft shoulder
Da max
109 mm
Maximum diameter of housing shoulder
ra max
2 mm
Maximum recess radius

Dimensions
rmin
2 mm
Minimum chamfer dimension
D1
101.7 mm
Bore diameter outer ring

Temperature range
Tmin
-30 °C
Operating temperature min.
Tmax
120 °C
Operating temperature max.

Your current product variant
Bore typeZCylindrical
CageTVPPlastic cage
Radial internal clearanceC3 (Group 3)Internal clearance larger than CN
Thêm vào yêu cầu báo giá