PRODUCTS

  • Home
  • Giới thiệu sản phẩm

INA
AMS50
Locknut socketadapter for precision locknuts AM AMS50
Thêm vào yêu cầu báo giá
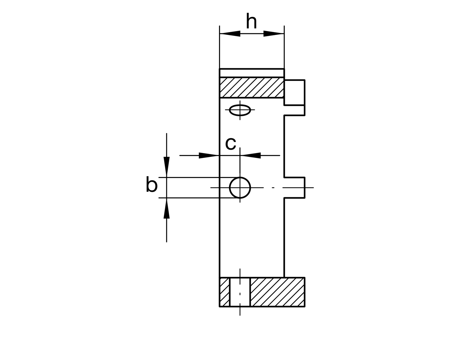
Dimensions
D
70 mm
Outside diameter
h
19 mm
Height
d
53 mm
Bore diameter
B
6 mm
Groove width
b
6 mm
bore diameter through hole
H11
Bore diameter through hole fit
c
6 mm
Distance bore
t
2.5 mm
groove depth
≈m
239 g
Weight

Additional information
AM45, AM50
Suitable nut
Thêm vào yêu cầu báo giá