PRODUCTS

  • Home
  • Giới thiệu sản phẩm

INA
CSCC120
Deep groove ball bearing CSCC120
Thêm vào yêu cầu báo giá
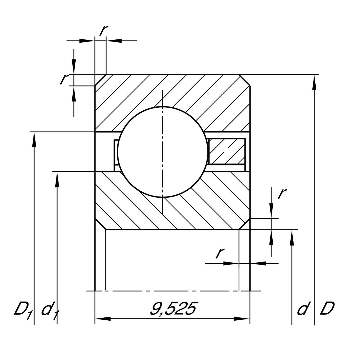
Main Dimensions & Performance Data
d
304.8 mm
Bore diameter
D
323.85 mm
Outside diameter
B
9.525 mm
Width
Cr
10,900 N
Basic dynamic load rating, radial
C0r
24,200 N
Basic static load rating, radial
nG
1,740 1/min
Limiting speed
≈m
0.57 kg
Weight

Dimensions
rmin
1 mm
Minimum chamfer dimension
d1
311.8 mm
Shoulder diameter inner ring
D1
316.8 mm
Shoulder diameter outer ring

Temperature range
Tmin
-30 °C
Operating temperature min.
Tmax
120 °C
Operating temperature max.

Your current product variant
Logistical codeHLE-
SealingWithoutNot sealed
CageYHbrass sheet metal
Tolerance classPL1Class PL1, Normal
Radial internal clearancePL1Class PL1, Normal
LubricantWithoutBearing not greased
Thêm vào yêu cầu báo giá