PRODUCTS
- Home
- Giới thiệu sản phẩm
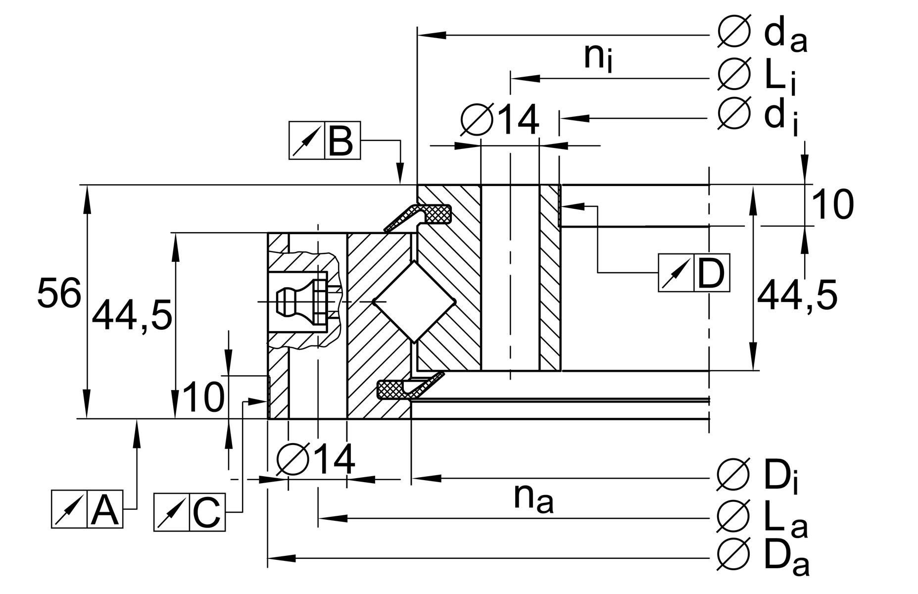
| di ZT | 674 mm | Diameter centring inner ring |
IT7 | Diameter centring inner ring tolerance | |
| t | 10 mm | Length centering inner ring |
| Da | 814 mm | Diameter centring outer ring |
-IT7 | Diameter centring outer ring tolerance | |
| T | 10 mm | Length centering outer ring |
| H | 56 mm | Height |
| ≈m | 49.9 kg | Weight |
| Di | 745 mm | Inner diameter outer ring |
0.6 mm | Inner diameter outer ring upper tolerance | |
0 mm | Inner diameter outer ring lower tolerance | |
| ha | 44.5 mm | height outer ring |
| La | 790 mm | Pitchcircle diameter fixing holes outer ring |
| na | 40 | Number of fixing holes in outer ring |
| da | 743 mm | Outside diameter inner ring |
0 mm | Outside diameter inner ring upper tolerance | |
-0.6 mm | Outside diameter inner ring lower tolerance | |
| hi | 44.5 mm | height of inner ring |
| dB | 14 mm | Fixing bore |
| Li | 698 mm | Pitchcircle diameter fixing holes inner ring |
| ni | 40 | Number of fixing holes in inner ring |
| VSPmin | 0.01 mm | Min. bearing preload |
| VSPmax | 0.04 mm | Maximum bearing preload |
0.05 mm | Running accuracy A (related to the raceway) | |
0.05 mm | Running accuracy B (related to the raceway) | |
0.09 mm | Running accuracy C (related to the raceway) | |
0.08 mm | Running accuracy D (related to the raceway) |
| Tmin | -30 °C | Operating temperature min. |
| Tmax | 80 °C | Operating temperature max. |
| Ca | 275,000 N | Basic dynamic load rating, axial |
| Cr | 195,000 N | Basic dynamic load rating, radial (for radial load only) |
| C0a | 970,000 N | Basic static load rating, axial |
| C0r | 475,000 N | Basic static load rating, radial (for radial load only) |
| nG | 51 1/min | Limiting speed |
| Fr zu. | 165,200 N | Max. radial load screws |
| Coating | RR | Protected against corrosion by Corrotect special coating |