PRODUCTS

  • Home
  • Giới thiệu sản phẩm

INA
SL185056-TB-BR
Cylindrical roller bearing SL185056-TB-BR
Thêm vào yêu cầu báo giá
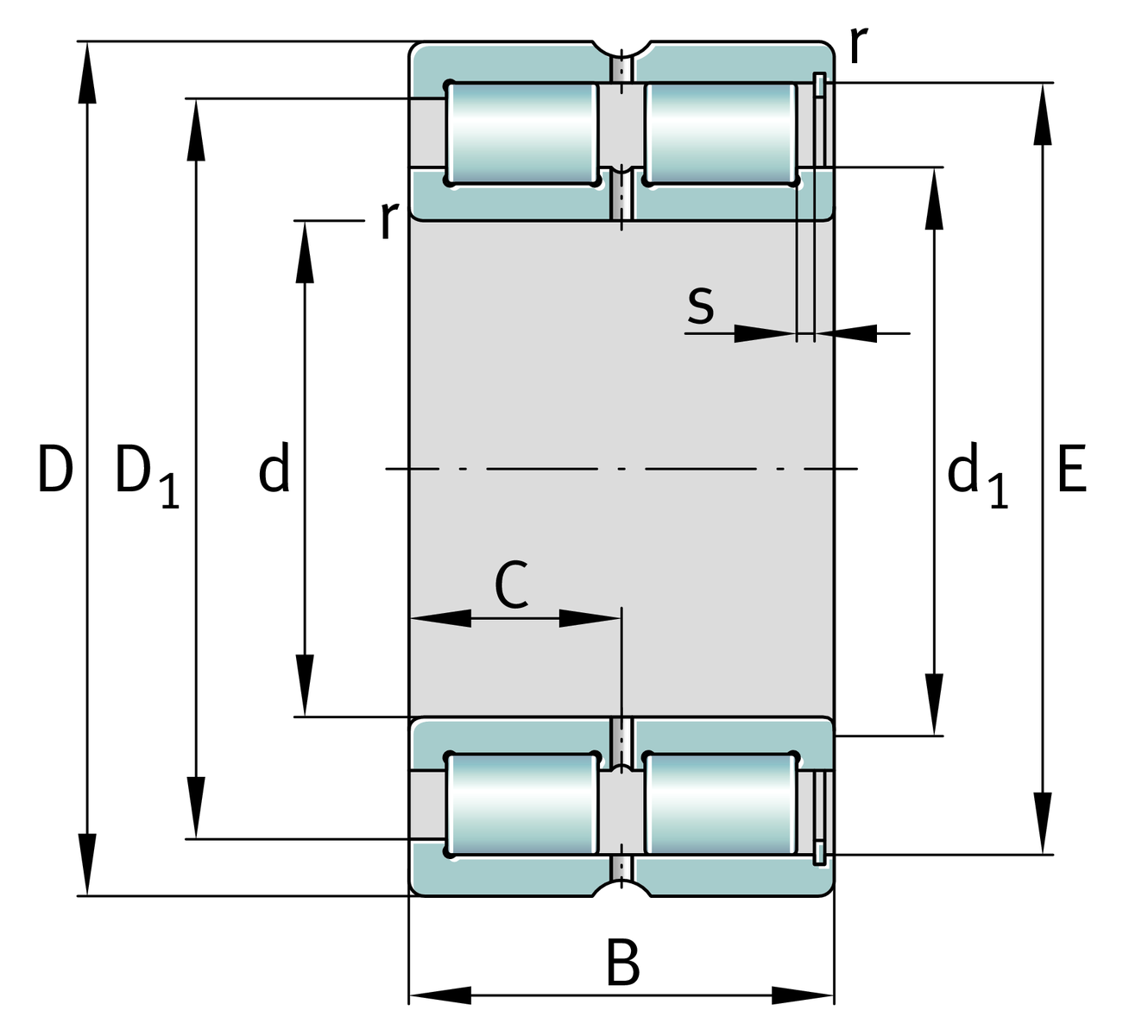
Main Dimensions & Performance Data
d
280 mm
Bore diameter
D
420 mm
Outside diameter
B
190 mm
Width
Cr
2,850,000 N
Basic dynamic load rating, radial
C0r
5,300,000 N
Basic static load rating, radial
Cur
600,000 N
Fatigue load limit, radial
nG
900 1/min
Limiting speed
nϑr
460 1/min
Reference speed
≈m
86.4 kg
Weight

Mounting dimensions
dc min
318 mm
Minimum shaft shoulder
da min
318.3 mm
Minimum diameter shaft shoulder
Da max
374.5 mm
Maximum diameter of housing shoulder
ra max
4 mm
Maximum recess radius
De min
372.3 mm
Minimum diameter of housing shoulder

Dimensions
rmin
4 mm
Minimum chamfer dimension
r1 min
4 mm
Minimum chamfer dimension
s
11.3 mm
Axial displacement
C
95 mm
Distance to lubrication hole
d1
318.3 mm
Maximum rib diameter inner ring
D1 min
372.3 mm
Minimum rib diameter outer ring
E
390.3 mm
Raceway diameter outer ring

Temperature range
Tmin
-30 °C
Operating temperature min.
Tmax
120 °C
Operating temperature max.

Your current product variant
DesignTBBearings with increased axial load capacity
Radial internal clearanceCN (Group N)Normal internal clearance
Tolerance classPNNormal (PN)
Number of rolling element rows2Double-row design
Thêm vào yêu cầu báo giá