PRODUCTS

  • Home
  • Giới thiệu sản phẩm

FAG
16060-M-C3
Deep groove ball bearing 16060-M-C3
Thêm vào yêu cầu báo giá
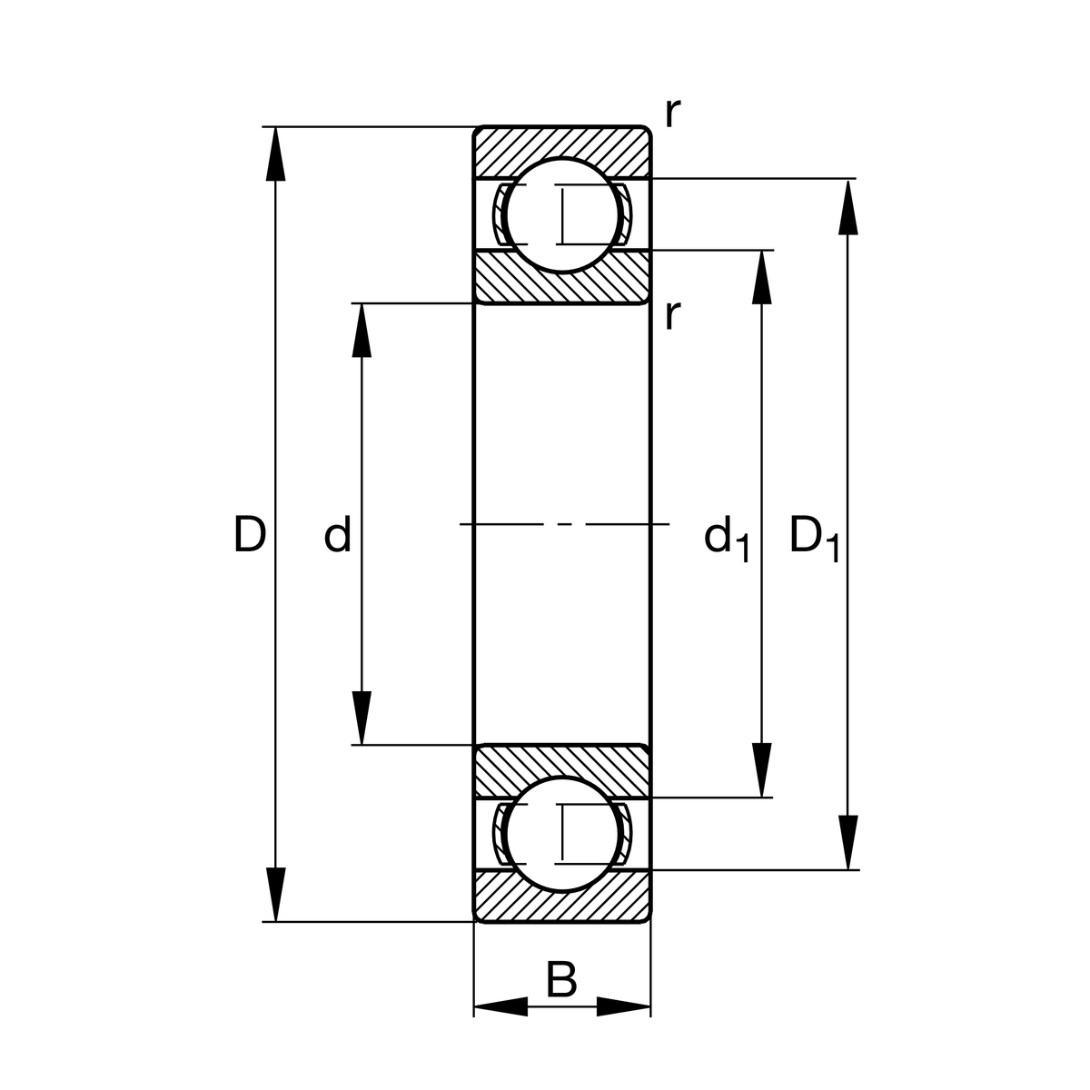
Main Dimensions & Performance Data
d
300 mm
Bore diameter
D
460 mm
Outside diameter
B
50 mm
Width
Cr
295,000 N
Basic dynamic load rating, radial
C0r
430,000 N
Basic static load rating, radial
Cur
13,100 N
Fatigue load limit, radial
nG
2,450 1/min
Limiting speed
nϑr
1,670 1/min
Reference speed
≈m
32.6 kg
Weight

Mounting dimensions
da min
314.6 mm
Minimum diameter shaft shoulder
Da max
445.4 mm
Maximum diameter of housing shoulder
ra max
3 mm
Maximum fillet radius

Dimensions
rmin
4 mm
Minimum chamfer dimension
D1
404.25 mm
Shoulder diameter outer ring
d1
357.1 mm
Shoulder diameter inner ring

Temperature range
Tmin
-30 °C
Operating temperature min.
Tmax
200 °C
Operating temperature max.

Calculation factors
f0
16.5
Calculation factor

Your current product variant
SealingWithoutNot sealed
CageMsolid brass cage, rolling element guided
Tolerance classPNNormal (PN)
Dimensional / heat stabilization S1Rings dimensional stabilized up to 200°
LubricantWithoutBearing not greased
Bore typeZCylindrical
Radial internal clearanceC3 (Group 3)Internal clearance larger than CN
Thêm vào yêu cầu báo giá