PRODUCTS

  • Home
  • Giới thiệu sản phẩm

FAG
SAFD518X0303U
Plummer block housings, split, SAF SAFD518X0303U
Thêm vào yêu cầu báo giá
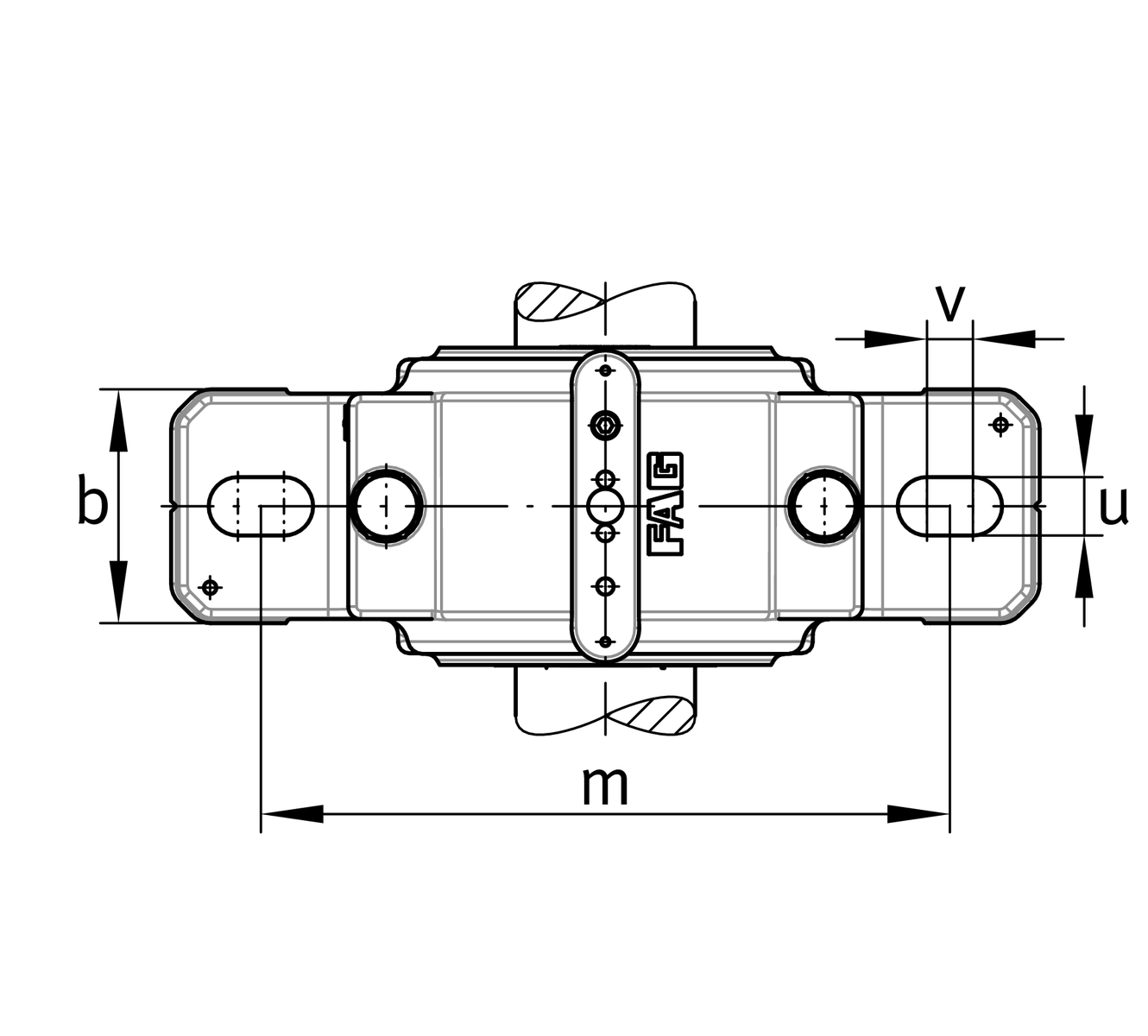
Main Dimensions & Performance Data
d1
80.962 mm
Shaft diameter inch
d1
80.9625 mm
Shaft diameter
a
349.25 mm
Length foot
h1
196.85 mm
Total height
g
139.7 mm
Width housing body
≈m
16.4 kg
Weight

Dimensions
b
98.425 mm
Width foot
c
41.275 mm
Height foot
D
160 mm
Outside diameter bearing
e
5.08 mm
Offset Bearing centre
h
101.6 mm
Distance shaft axis
k
49.8 mm
Width bearing seat
m
279.4 mm
Distance mounting holes
s
19.05 mm
screw size
v
22.225 mm
Width oblong hole
v
15.875 mm
Length oblong hole
Thêm vào yêu cầu báo giá