PRODUCTS

  • Home
  • Giới thiệu sản phẩm

FAG
SAFD509X0107U
Plummer block housings, split, SAF SAFD509X0107U
Thêm vào yêu cầu báo giá
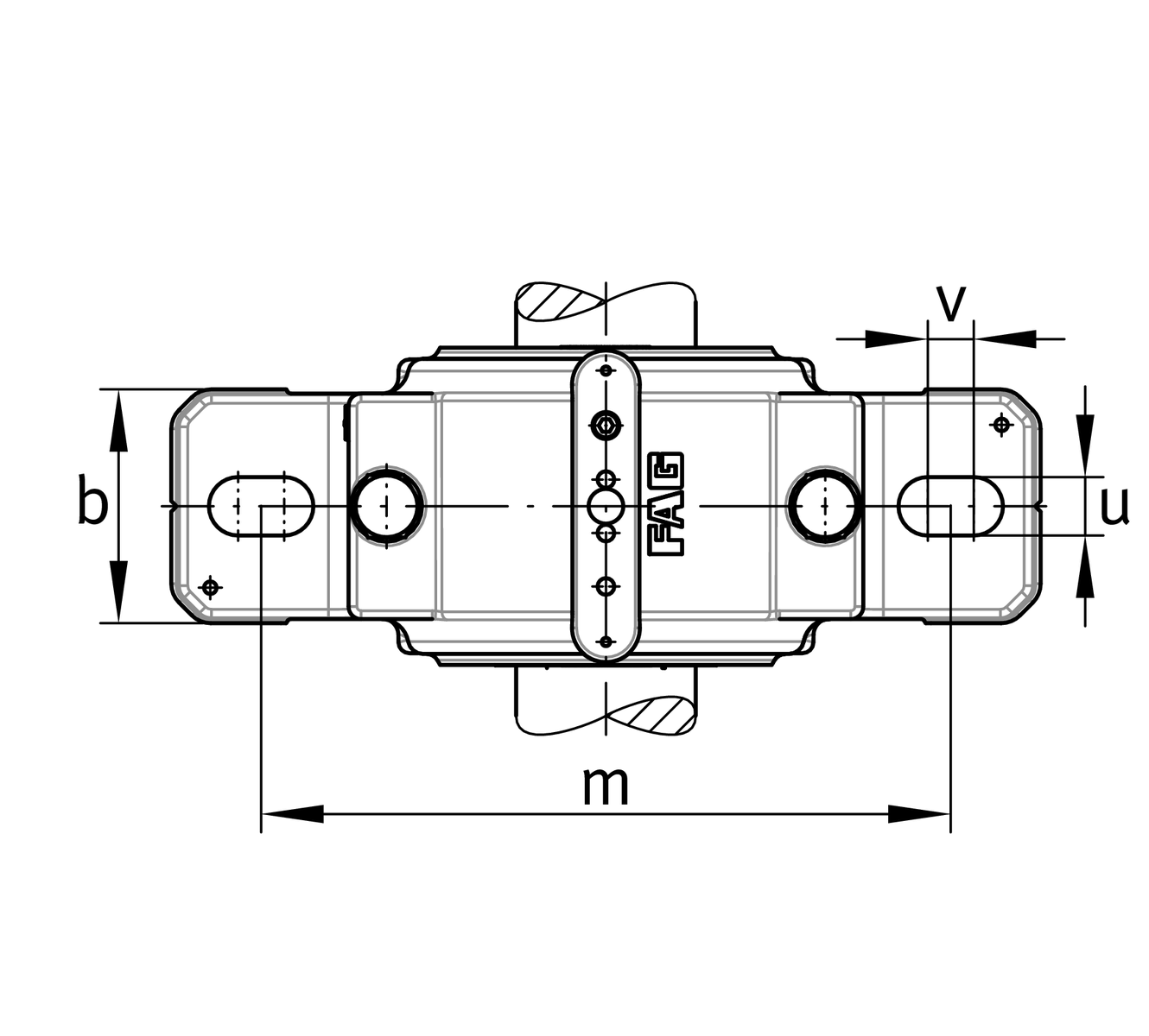
Main Dimensions & Performance Data
d1
36.512 mm
Shaft diameter inch
d1
36.5125 mm
Shaft diameter
a
209.55 mm
Length foot
h1
111.125 mm
Total height
g
87.313 mm
Width housing body
≈m
3.59 kg
Weight

Dimensions
b
60.325 mm
Width foot
c
20.637 mm
Height foot
D
85 mm
Outside diameter bearing
e
2.54 mm
Offset Bearing centre
h
57.15 mm
Distance shaft axis
k
28.8 mm
Width bearing seat
m
168.275 mm
Distance mounting holes
s
12.7 mm
screw size
v
15.875 mm
Width oblong hole
v
9.525 mm
Length oblong hole
Thêm vào yêu cầu báo giá