PRODUCTS

  • Home
  • Giới thiệu sản phẩm

INA
CSCF080
Deep groove ball bearing CSCF080
Thêm vào yêu cầu báo giá
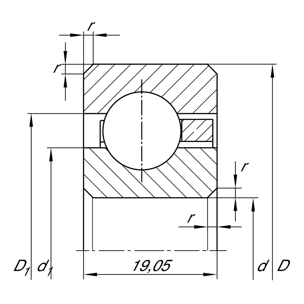
Main Dimensions & Performance Data
d
203.2 mm
Bore diameter
D
241.3 mm
Outside diameter
B
19.05 mm
Width
Cr
30,000 N
Basic dynamic load rating, radial
C0r
38,500 N
Basic static load rating, radial
nG
2,430 1/min
Limiting speed
≈m
1.59 kg
Weight

Dimensions
rmin
2 mm
Minimum chamfer dimension
d1
217.3 mm
Shoulder diameter inner ring
D1
227.2 mm
Shoulder diameter outer ring

Temperature range
Tmin
-30 °C
Operating temperature min.
Tmax
120 °C
Operating temperature max.

Your current product variant
Logistical codeHLE-
SealingWithoutNot sealed
CageYHbrass sheet metal
Tolerance classPL1Class PL1, Normal
Radial internal clearancePL1Class PL1, Normal
LubricantWithoutBearing not greased
Thêm vào yêu cầu báo giá