PRODUCTS

  • Home
  • Giới thiệu sản phẩm

INA
SL185040-TB
Cylindrical roller bearing SL185040-TB
Thêm vào yêu cầu báo giá
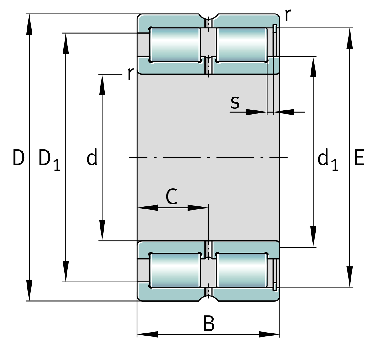
Main Dimensions & Performance Data
d
200 mm
Bore diameter
D
310 mm
Outside diameter
B
150 mm
Width
Cr
1,630,000 N
Basic dynamic load rating, radial
C0r
3,000,000 N
Basic static load rating, radial
Cur
375,000 N
Fatigue load limit, radial
nG
1,230 1/min
Limiting speed
nϑr
710 1/min
Reference speed
≈m
39.138 kg
Weight

Mounting dimensions
dc min
236.5 mm
Minimum shaft shoulder
da min
236.6 mm
Minimum diameter shaft shoulder
Da max
276.5 mm
Maximum diameter of housing shoulder
ra max
2.1 mm
Maximum recess radius
De min
274.9 mm
Minimum diameter of housing shoulder

Dimensions
rmin
2.1 mm
Minimum chamfer dimension
r1 min
2.1 mm
Minimum chamfer dimension
s
8.9 mm
Axial displacement
C
75 mm
Distance to lubrication hole
d1
236.6 mm
Maximum rib diameter inner ring
D1 min
274.9 mm
Minimum rib diameter outer ring
E
287.8 mm
Raceway diameter outer ring

Temperature range
Tmin
-30 °C
Operating temperature min.
Tmax
120 °C
Operating temperature max.

Your current product variant
DesignTBBearings with increased axial load capacity
Radial internal clearanceCN (Group N)Normal internal clearance
Tolerance classPNNormal (PN)
Number of rolling element rows2Double-row design
Thêm vào yêu cầu báo giá