PRODUCTS
- Home
- Giới thiệu sản phẩm
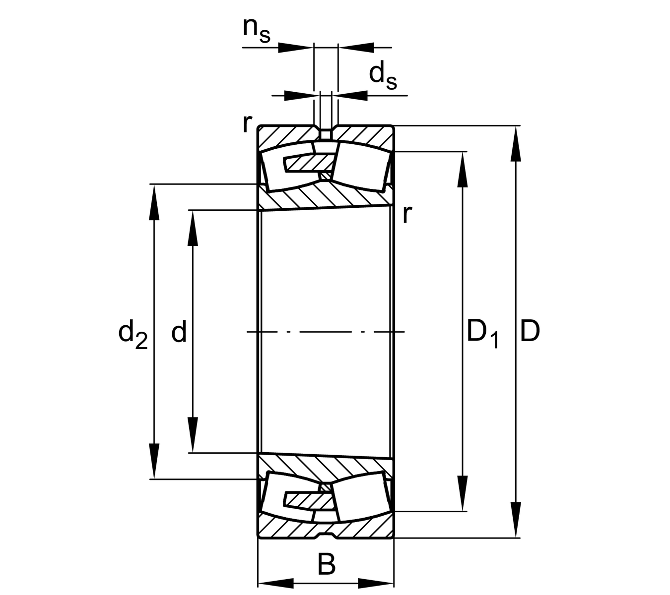
| d | 240 mm | Bore diameter |
| D | 500 mm | Outside diameter |
| B | 155 mm | Width |
| Cr | 3,200,000 N | Basic dynamic load rating, radial |
| C0r | 4,050,000 N | Basic static load rating, radial |
| Cur | 315,000 N | Fatigue load limit, radial |
| nG | 1,510 1/min | Limiting speed |
| nϑr | 830 1/min | Reference speed |
| ≈m | 143.545 kg | Weight |
| da min | 260 mm | Minimum diameter shaft shoulder |
| Da max | 480 mm | Maximum diameter of housing shoulder |
| ra max | 4 mm | Maximum recess radius |
| da max | 296 mm | Maximum diameter of shaft shoulder |
| db min | 257 mm | Minimum cavity diameter of the sleeve |
| Ba min | 11 mm | Minimum cavity width of the sleeve |
| rmin | 5 mm | Minimum chamfer dimension |
| D1 | 426.4 mm | Bore diameter outer ring |
| ds | 12.5 mm | Diameter lubrication hole |
| ns | 23.5 mm | Width of lubricating groove |
| Tmin | -30 °C | Operating temperature min. |
| Tmax | 200 °C | Operating temperature max. |
| e | 0.32 | Limiting value of Fa/Fr for the applicability of diff. Values of factors X and Y |
| Y1 | 2.12 | Dynamic axial load factor |
| Y2 | 3.15 | Dynamic axial load factor |
| Y0 | 2.07 | Static axial load factor |
H2348X | Adapter sleeve | |
AH2348 | Withdrawal sleeve |
| Design | BEA | with lose center lip ring |
| Bore type | K | Tapered, taper 1:12 |
| Cage | MB1 | Solid brass cage |
| Radial internal clearance | C3 (Group 3) | Internal clearance larger than CN |
| Relubrication feature | Standard |