PRODUCTS

  • Home
  • Giới thiệu sản phẩm

FAG
1210-TVH>A
Self-aligning ball bearing 1210-TVH>A
Thêm vào yêu cầu báo giá
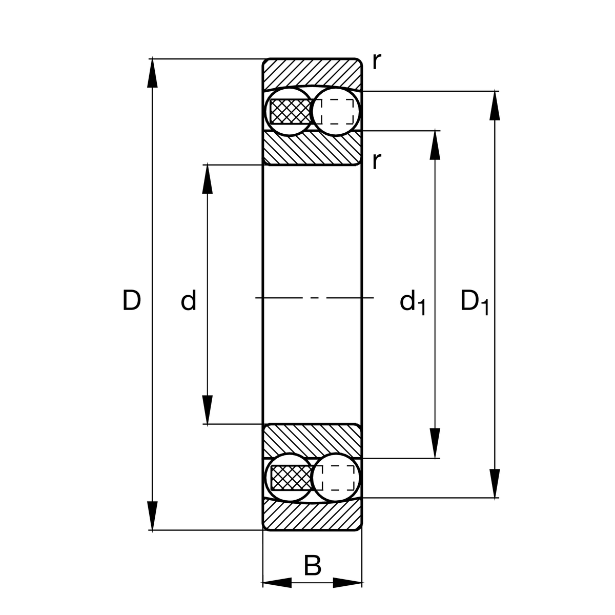
Main Dimensions & Performance Data
d
50 mm
Bore diameter
D
90 mm
Outside diameter
B
20 mm
Width
Cr
22,900 N
Basic dynamic load rating, radial
C0r
8,100 N
Basic static load rating, radial
Cur
520 N
Fatigue load limit, radial
nG
8,700 1/min
Limiting speed
nϑr
7,700 1/min
Reference speed
≈m
0.52 kg
Weight

Mounting dimensions
da min
57 mm
Minimum diameter shaft shoulder
Da max
83 mm
Maximum diameter of housing shoulder
ra max
1 mm
Maximum fillet radius

Dimensions
rmin
1.1 mm
Minimum chamfer dimension
D1
77.13 mm
Shoulder diameter outer ring
d1
62.7 mm
Shoulder diameter inner ring

Temperature range
Tmin
-30 °C
Operating temperature min.
Tmax
120 °C
Operating temperature max.

Calculation factors
e
0.2
Limiting value of Fa/Fr for the applicability of diff. Values of factors X and Y
Y1
3.15
Dynamic axial load factor
Y2
4.87
Dynamic axial load factor
Y0
3.3
Static axial load factor

Your current product variant
Version code>AVersion code
Bore typeZCylindrical
SealingWithoutNot sealed
CageTVHsolid cage made of glass-fiber reinforced polyamid PA66
Tolerance classPNNormal (PN)
LubricantWithoutBearing not greased
Radial internal clearanceCN (Group N)Normal internal clearance
Thêm vào yêu cầu báo giá