PRODUCTS

  • Home
  • Giới thiệu sản phẩm

INA
SL185044-A-BR-C3-2S
Cylindrical roller bearing SL185044-A-BR-C3-2S
Thêm vào yêu cầu báo giá
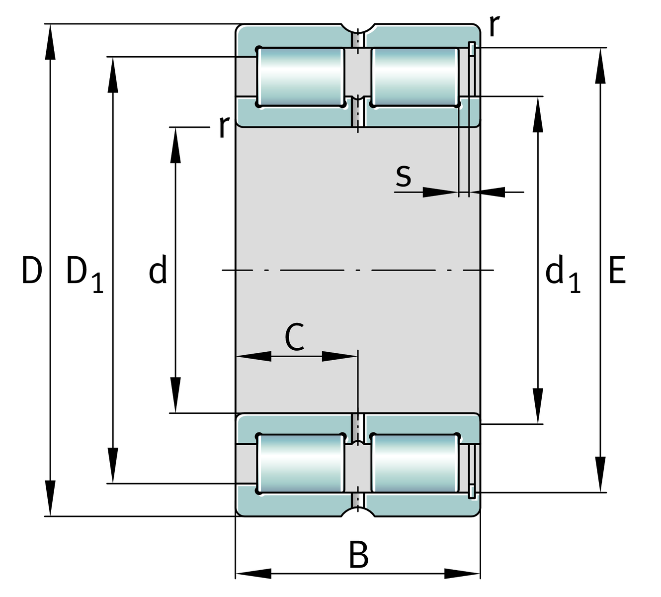
Main Dimensions & Performance Data
d
220 mm
Bore diameter
D
340 mm
Outside diameter
B
160 mm
Width
Cr
1,980,000 N
Basic dynamic load rating, radial
C0r
3,650,000 N
Basic static load rating, radial
Cur
440,000 N
Fatigue load limit, radial
nG
1,140 1/min
Limiting speed
nϑr
630 1/min
Reference speed
≈m
50.444 kg
Weight

Mounting dimensions
dc min
254.6 mm
Minimum shaft shoulder
da min
254.6 mm
Minimum diameter shaft shoulder
Da max
297.8 mm
Maximum diameter of housing shoulder
ra max
3 mm
Maximum recess radius
ra1 max
3 mm
Maximum recess radius
De min
297.8 mm
Minimum diameter of housing shoulder

Dimensions
rmin
3 mm
Minimum chamfer dimension
r1 min
3 mm
Minimum chamfer dimension
s
9 mm
Axial displacement
C
80 mm
Distance to lubrication hole
d1
254.6 mm
Maximum rib diameter inner ring
D1 min
297.8 mm
Minimum rib diameter outer ring
E
312.2 mm
Raceway diameter outer ring

Temperature range
Tmin
-30 °C
Operating temperature min.
Tmax
120 °C
Operating temperature max.

Your current product variant
DesignAInternal Variant A
Radial internal clearanceC3 (Group 3)Internal clearance larger than CN
Tolerance classPNNormal (PN)
Number of rolling element rows2Double-row design
Thêm vào yêu cầu báo giá