PRODUCTS

  • Home
  • Giới thiệu sản phẩm

FAG
S61809-2RSR
Deep groove ball bearing S61809-2RSR
Thêm vào yêu cầu báo giá
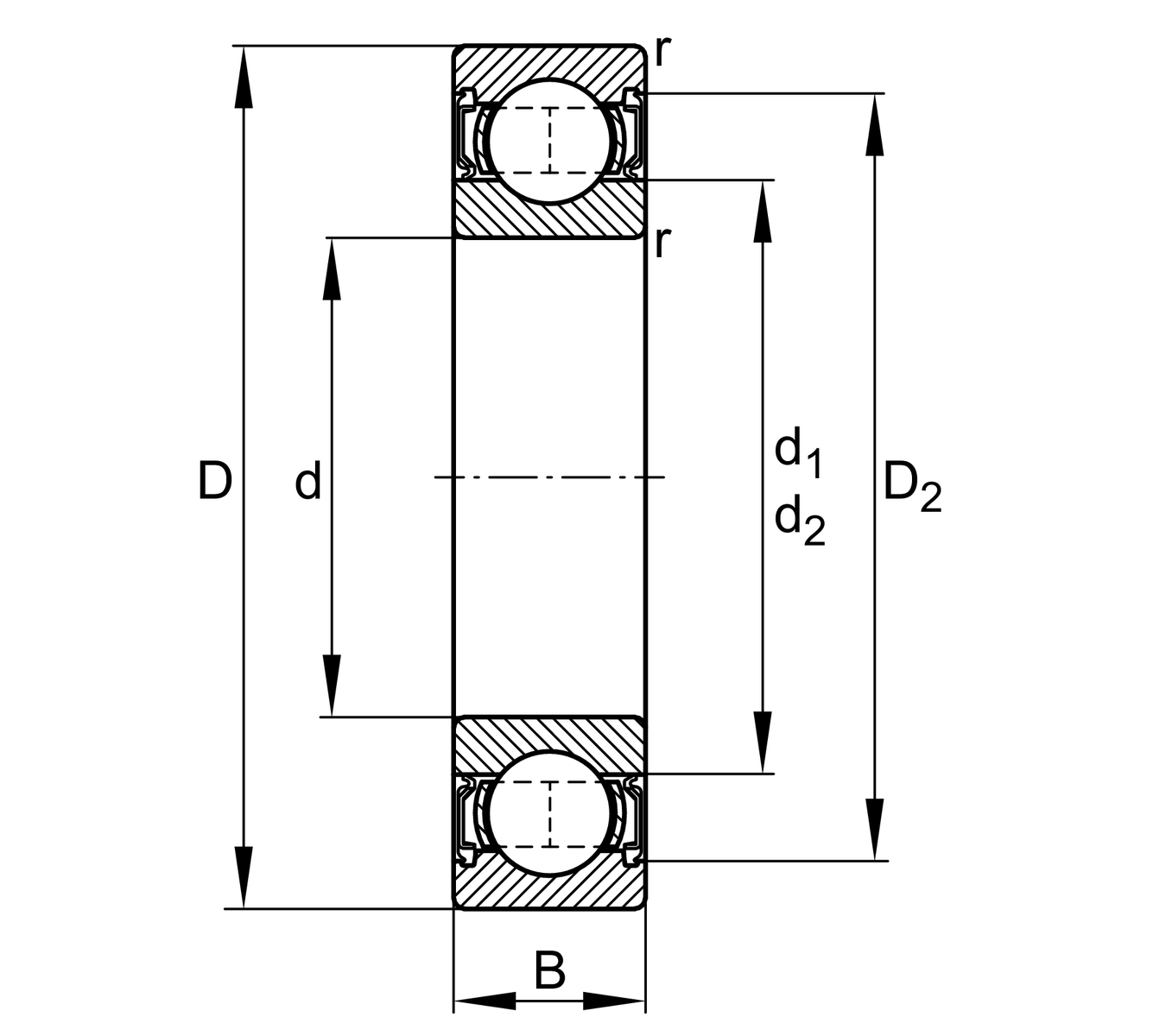
Main Dimensions & Performance Data
d
45 mm
Bore diameter
D
58 mm
Outside diameter
B
7 mm
Width
Cr
5,300 N
Basic dynamic load rating, radial
C0r
4,300 N
Basic static load rating, radial
Cur
260 N
Fatigue load limit, radial
nG
5,500 1/min
Limiting speed
≈m
42 g
Weight

Mounting dimensions
da min
47 mm
Minimum diameter shaft shoulder
Da max
56 mm
Maximum diameter of housing shoulder
ra max
0.3 mm
Maximum fillet radius

Dimensions
rmin
0.3 mm
Minimum chamfer dimension
D2
54.9 mm
Caliber diameter outer ring
d1
48.2 mm
Shoulder diameter inner ring

Temperature range
Tmin
-30 °C
Operating temperature min.
Tmax
100 °C
Operating temperature max.

Calculation factors
f0
13
Calculation factor

Your current product variant
Logistical codeHLC-
Material BearingSStainless steel
Sealing2RSRContact seal on both sides
CageJNsteel sheet metal
Tolerance classPNNormal (PN)
Dimensional / heat stabilization SNRings dimensional stabilized up to 120°
LubricantL138Grease (L138/customer specific)
Bore typeZCylindrical
Radial internal clearanceCN (Group N)Normal internal clearance
Thêm vào yêu cầu báo giá