PRODUCTS

  • Home
  • Giới thiệu sản phẩm

FAG
1205-K-TVH-C3>B
Self-aligning ball bearing 1205-K-TVH-C3>B
Thêm vào yêu cầu báo giá
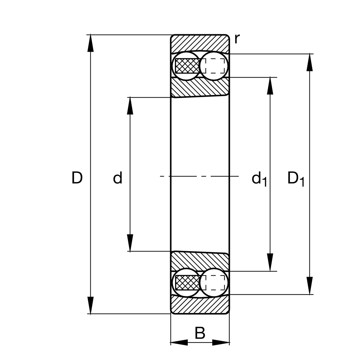
Main Dimensions & Performance Data
d
25 mm
Bore diameter
D
52 mm
Outside diameter
B
15 mm
Width
Cr
12,300 N
Basic dynamic load rating, radial
C0r
3,300 N
Basic static load rating, radial
Cur
209 N
Fatigue load limit, radial
nG
15,500 1/min
Limiting speed
nϑr
13,400 1/min
Reference speed
≈m
0.135 kg
Weight

Mounting dimensions
da min
30.6 mm
Minimum diameter shaft shoulder
da max
32 mm
Maximum diameter shaft shoulder
Da max
46.4 mm
Maximum diameter of housing shoulder
db min
28 mm
Minimum cavity diameter of the sleeve
Ba min
5 mm
Minimum cavity width of the sleeve
ra max
1 mm
Maximum fillet radius

Dimensions
rmin
1 mm
Minimum chamfer dimension
D1
43.6 mm
Shoulder diameter outer ring
d1
33.3 mm
Shoulder diameter inner ring

Temperature range
Tmin
-30 °C
Operating temperature min.
Tmax
120 °C
Operating temperature max.

Calculation factors
e
0.27
Limiting value of Fa/Fr for the applicability of diff. Values of factors X and Y
Y1
2.36
Dynamic axial load factor
Y2
3.65
Dynamic axial load factor
Y0
2.47
Static axial load factor

Additional information
H205
Adapter sleeve

Your current product variant
Version code>BVersion code
Bore typeKTapered, taper 1:12
SealingWithoutNot sealed
CageTVHsolid cage made of glass-fiber reinforced polyamid PA66
Tolerance classPNNormal (PN)
LubricantWithoutBearing not greased
Radial internal clearanceC3 (Group 3)Internal clearance larger than CN
Thêm vào yêu cầu báo giá