PRODUCTS

  • Home
  • Giới thiệu sản phẩm

FAG
2208-TVH
Self-aligning ball bearing 2208-TVH
Thêm vào yêu cầu báo giá
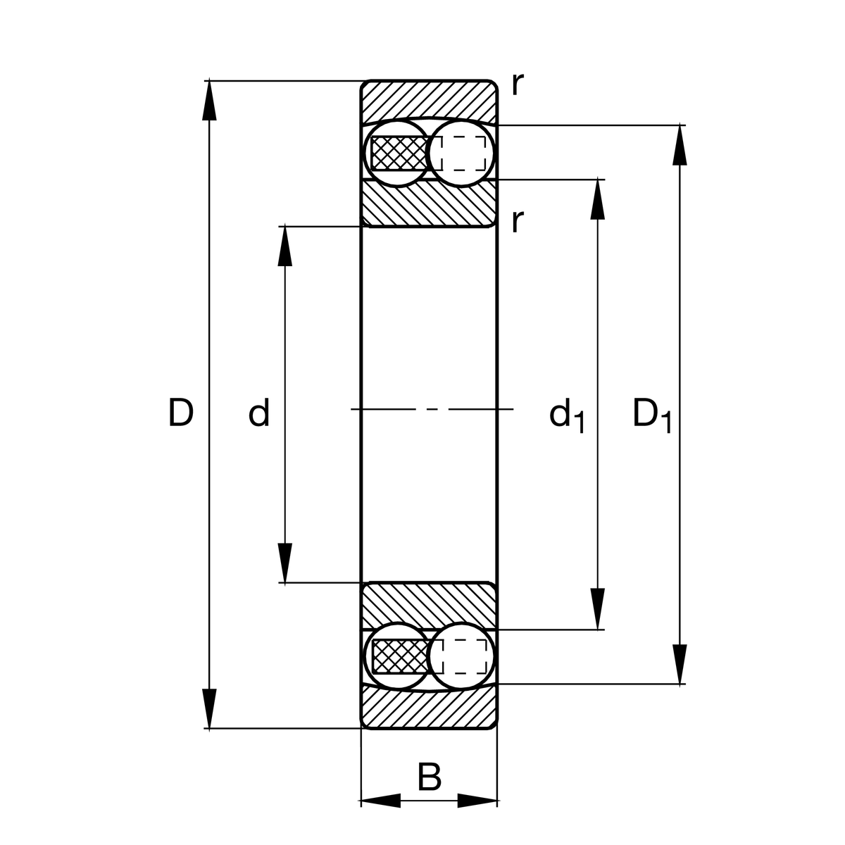
Main Dimensions & Performance Data
d
40 mm
Bore diameter
D
80 mm
Outside diameter
B
23 mm
Width
Cr
32,500 N
Basic dynamic load rating, radial
C0r
9,500 N
Basic static load rating, radial
Cur
600 N
Fatigue load limit, radial
nG
8,900 1/min
Limiting speed
nϑr
8,700 1/min
Reference speed
≈m
0.474 kg
Weight

Mounting dimensions
da min
47 mm
Minimum diameter shaft shoulder
Da max
73 mm
Maximum diameter of housing shoulder
ra max
1 mm
Maximum fillet radius

Dimensions
rmin
1.1 mm
Minimum chamfer dimension
D1
70.15 mm
Shoulder diameter outer ring
d1
52.5 mm
Shoulder diameter inner ring

Temperature range
Tmin
-30 °C
Operating temperature min.
Tmax
120 °C
Operating temperature max.

Calculation factors
e
0.26
Limiting value of Fa/Fr for the applicability of diff. Values of factors X and Y
Y1
2.43
Dynamic axial load factor
Y2
3.76
Dynamic axial load factor
Y0
2.55
Static axial load factor

Your current product variant
Bore typeZCylindrical
SealingWithoutNot sealed
CageTVHsolid cage made of glass-fiber reinforced polyamid PA66
Tolerance classPNNormal (PN)
LubricantWithoutBearing not greased
Radial internal clearanceCN (Group N)Normal internal clearance
Thêm vào yêu cầu báo giá