PRODUCTS
- Home
- Giới thiệu sản phẩm
| L | 78 mm | length max |
| H | 16 mm | heigth min |
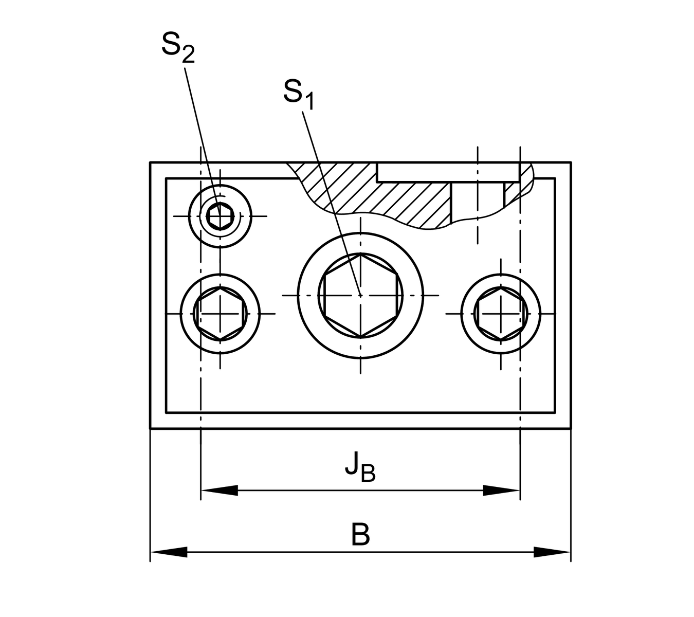
| B | 26.5 mm | width |
| ≈m | 0.204 kg | Weight |
| L1 | 62 mm | |
| L2 | 73 mm | max |
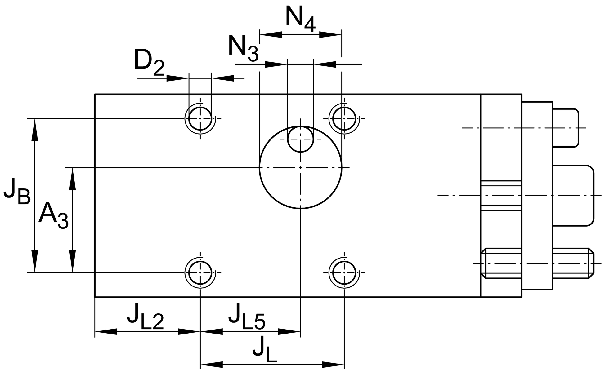
| JB | 20.6 mm | |
| TolJB | +0,1 | Upper tolerance |
| TolJB | -0,1 | Lower tolerance |
| JL | 25.5 mm | |
| TolJL | +0,1 | Upper tolerance |
| TolJL | -0,1 | Lower tolerance |
| JL2 | 16.5 mm | |
| JL5 | 16.5 mm | |
| Q1 | 7 mm | max |
| A3 | 14.9 mm | |
| N3 | 3.5 mm | 1 |
| N4 | 12 mm | |
| T5 | 4 mm |
| S1 | 3 mm | adjustment screw hexagon socket |
| S2 | 2 mm | locking/extraction screw hexagon socket 2 |
| G2 | M4 | fixing screws DIN ISO4762-12.9 |
| MA G2 | 5 Nm | tightening torque |
| G3 | M3 | fixing screws DIN ISO4762-12.9 |
| MA G3 | 1.8 Nm | tightening torque |
| K3 | M3 | fixing screws DIN ISO4762-12.9 |
| MA K3 | 1.8 Nm | tightening torque |
| D2 | 3.5 mm | core hole |
| Δh | 0.35 mm | adjustment max |
0.035 mm | adjustment per screw revolution |
RUS19069 | for linear roller bearing |
| Size code | 19069 | |
| Version | A |