PRODUCTS

  • Home
  • Giới thiệu sản phẩm

FAG
20208-TVP
Barrel roller bearing 20208-TVP
Thêm vào yêu cầu báo giá
Main Dimensions & Performance Data
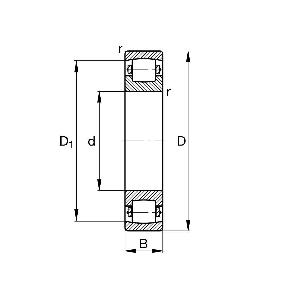
d
40 mm
Bore diameter
D
80 mm
Outside diameter
B
18 mm
Width
Cr
49,500 N
Basic dynamic load rating, radial
C0r
53,000 N
Basic static load rating, radial
Cur
5,200 N
Fatigue load limit, radial
nG
8,700 1/min
Limiting speed
≈m
0.371 kg
Weight

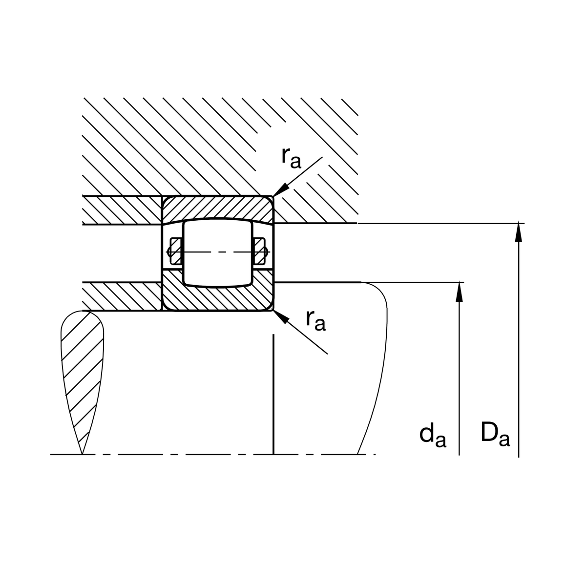
Mounting dimensions
da min
47 mm
Minimum diameter shaft shoulder
Da max
73 mm
Maximum diameter of housing shoulder
ra max
1 mm
Maximum recess radius

Dimensions
rmin
1.1 mm
Minimum chamfer dimension
D1
70.1 mm
Bore diameter outer ring

Temperature range
Tmin
-30 °C
Operating temperature min.
Tmax
120 °C
Operating temperature max.

Your current product variant
Bore typeZCylindrical
CageTVPPlastic cage
Radial internal clearanceCN (Group N)Normal internal clearance
Thêm vào yêu cầu báo giá