PRODUCTS
- Home
- Giới thiệu sản phẩm
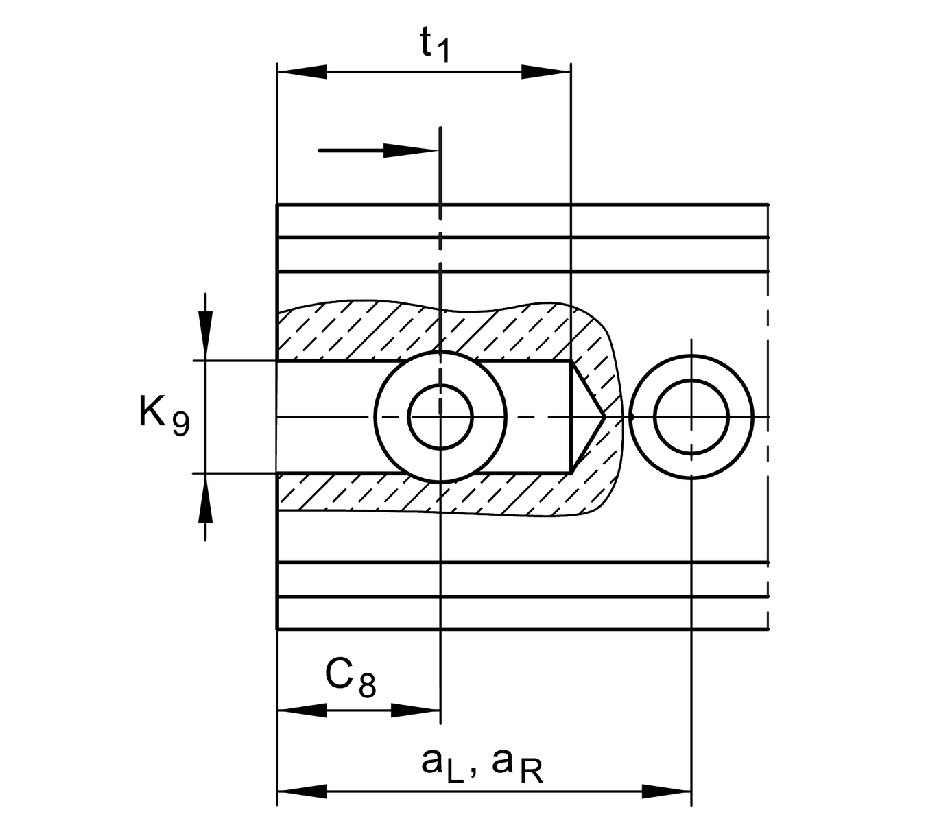
| aL min | 40 mm | |
| aR min | 40 mm | |
| C8 | 20 mm | |
| C8 Tol | 0.1 mm | |
| C8 Tol | -0.1 mm | |
| K7 | 16 mm | |
| K7 Tol | 0.2 mm | |
| K8 | 8 mm | |
| K9 | 13 mm | |
| K9 Tol | 0.5 mm | |
| T | 30 mm | |
| T1 | 22 mm | |
| T1 Tol | 0.1 mm | |
| T1 Tol | -0.1 mm | |
| t1 | 30 mm | |
| t1 Tol | 0.5 mm | |
| ≈m | 0.3 kg | Weight |
LFS52 | Compatible with the following guide rail | |
LFS52-E | Compatible with the following guide rail | |
LFS52-EE | Compatible with the following guide rail | |
LFS52-C | Compatible with the following guide rail | |
LFS52-CE | Compatible with the following guide rail | |
LFS52-CEE | Compatible with the following guide rail |
| Size code | 52 |