PRODUCTS

  • Home
  • Giới thiệu sản phẩm

FAG
UCPA208-24
Plummer block housing unit UCPA208-24
Thêm vào yêu cầu báo giá
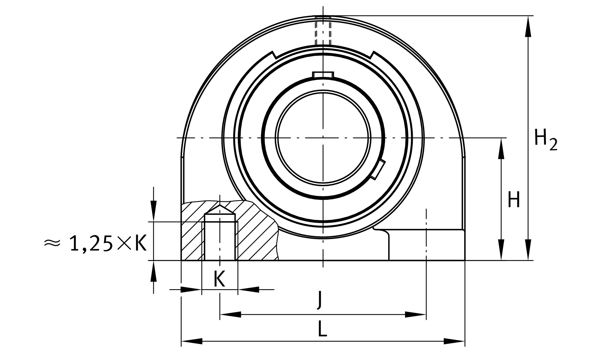
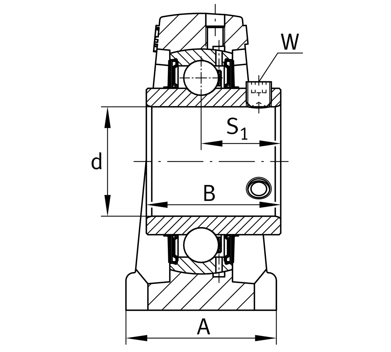
Main Dimensions & Performance Data
d
38.1 mm
Bore diameter
L
116 mm
Length total
H2
100 mm
Height
≈m
1.96 kg
Weight

Mounting dimensions
J
84 mm
Distance fixing bore
K
M14
Thread fixing bore

Dimensions
H
49.2 mm
Distance shaft axis
A
54 mm
Width (base)
Q
M6
Connection thread for lubrication
B
49.2 mm
Width of inner ring
S1
30.2 mm
Distance of raceway to locking collar

Additional information
PA208
Housing
UC208-24
Bearing designation

Temperature range
Tmin
-20 °C
Operating temperature min.
Tmax
120 °C
Operating temperature max.

Your current product variant
MaterialGGGrey cast iron
Housing clearanceJ7Normal swivel torque
DummyGGcast iron
Thêm vào yêu cầu báo giá