PRODUCTS

  • Home
  • Giới thiệu sản phẩm

FAG
UCFC208-24
Flanged housing unit UCFC208-24
Thêm vào yêu cầu báo giá
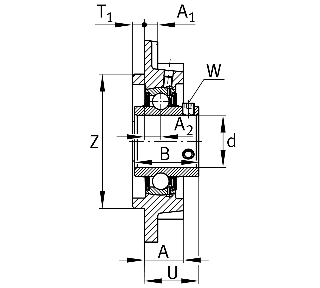
Main Dimensions & Performance Data
d
38.1 mm
Bore diameter
H
145 mm
Height flange
U
41.2 mm
Total height unit
Cr
32,500 N
Basic dynamic load rating, radial
C0r
19,800 N
Basic static load rating, radial
Cur
840 N
Fatigue load limit, radial
≈m
2.08 kg
Weight

Mounting dimensions
J
120 mm
Distance fixing bore
J
120 mm
Pitch circle diameter (holes)
N
14 mm
Fixing bore
N1
84.8 mm
Distance fixing bore
T1
10 mm
Height spigot
Z
100 mm
Diameter spigot
h8
Diameter spigot clearance
n
4
Number of screwing holes

Dimensions
A
26 mm
Height housing
A1
9 mm
Thickness of flange
A2
11 mm
Distance raceway
B
49.2 mm
Width
Q
M6
Connection thread for lubrication

Additional information
1
Number of housings
FC208
Housing
UC208-24
Bearing designation

Temperature range
Tmin
-20 °C
Operating temperature min.
Tmax
120 °C
Operating temperature max.

Your current product variant
MaterialGGGrey cast iron
Thêm vào yêu cầu báo giá