PRODUCTS

  • Home
  • Giới thiệu sản phẩm

INA
CSCAA015-TV
Deep groove ball bearing CSCAA015-TV
Thêm vào yêu cầu báo giá
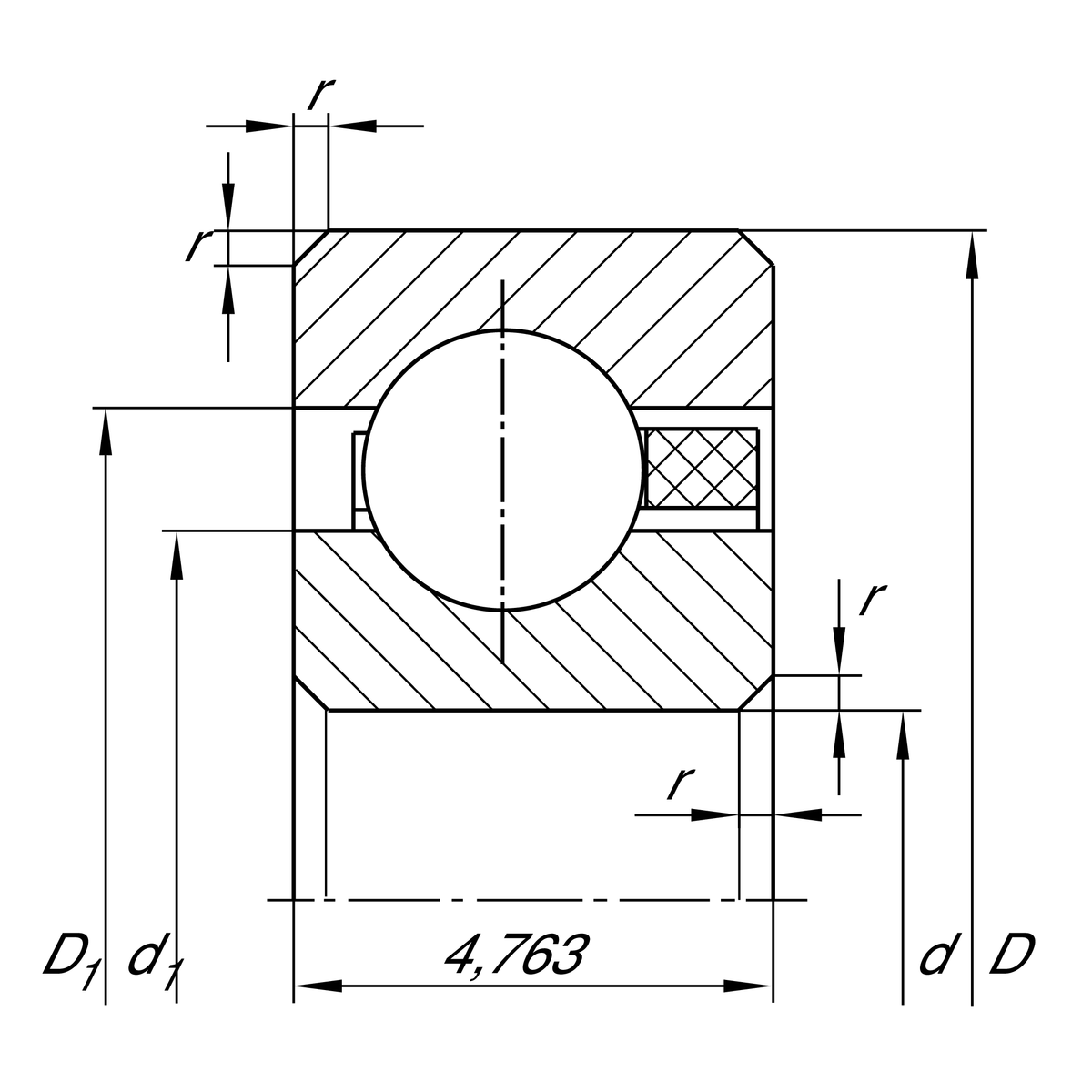
Main Dimensions & Performance Data
d
38.1 mm
Bore diameter
D
47.625 mm
Outside diameter
B
4.763 mm
Width
Cr
2,020 N
Basic dynamic load rating, radial
C0r
1,540 N
Basic static load rating, radial
nG
14,100 1/min
Limiting speed
≈m
20 g
Weight

Dimensions
rmin
0.38 mm
Minimum chamfer dimension
d1
44.1 mm
Shoulder diameter inner ring
D1
47.1 mm
Shoulder diameter outer ring

Temperature range
Tmin
-30 °C
Operating temperature min.
Tmax
120 °C
Operating temperature max.

Your current product variant
Logistical codeHLE-
SealingWithoutNot sealed
CageTVPlastic Cage made from PA66
Tolerance classPL1Class PL1, Normal
Radial internal clearancePL1Class PL1, Normal
LubricantWithoutBearing not greased
Thêm vào yêu cầu báo giá