PRODUCTS

  • Home
  • Giới thiệu sản phẩm

FAG
22344-BE-XL-K-C3
Spherical Roller Bearing 22344-BE-XL-K-C3
Thêm vào yêu cầu báo giá
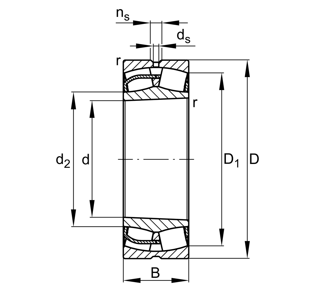
Main Dimensions & Performance Data
d
220 mm
Bore diameter
D
460 mm
Outside diameter
B
145 mm
Width
Cr
2,800,000 N
Basic dynamic load rating, radial
C0r
3,400,000 N
Basic static load rating, radial
Cur
270,000 N
Fatigue load limit, radial
nG
1,690 1/min
Limiting speed
nϑr
950 1/min
Reference speed
≈m
110.65 kg
Weight

Mounting dimensions
da min
240 mm
Minimum diameter shaft shoulder
da max
272 mm
Maximum diameter of shaft shoulder
Da max
440 mm
Maximum diameter of housing shoulder
ra max
4 mm
Maximum recess radius
db min
236 mm
Minimum cavity diameter of the sleeve
Ba min
10 mm
Minimum cavity width of the sleeve

Dimensions
rmin
5 mm
Minimum chamfer dimension
D1
391.1 mm
Bore diameter outer ring
d2
273.4 mm
Raceway diameter of the inner ring
ds
12.5 mm
Diameter lubrication hole
ns
23.5 mm
Width of lubricating groove

Temperature range
Tmin
-30 °C
Operating temperature min.
Tmax
200 °C
Operating temperature max.

Calculation factors
e
0.33
Limiting value of Fa/Fr for the applicability of diff. Values of factors X and Y
Y1
2.06
Dynamic axial load factor
Y2
3.06
Dynamic axial load factor
Y0
2.01
Static axial load factor

Additional information
H2344X
Adapter sleeve
AH2344
Withdrawal sleeve

Your current product variant
DesignBEwith lose center lip ring
Bore typeKTapered, taper 1:12
CageJPBSheet metal cage
Radial internal clearanceC3 (Group 3)Internal clearance larger than CN
Relubrication featureStandard
Thêm vào yêu cầu báo giá