PRODUCTS

  • Home
  • Giới thiệu sản phẩm

FAG
UCPA207-23
Plummer block housing unit UCPA207-23
Thêm vào yêu cầu báo giá
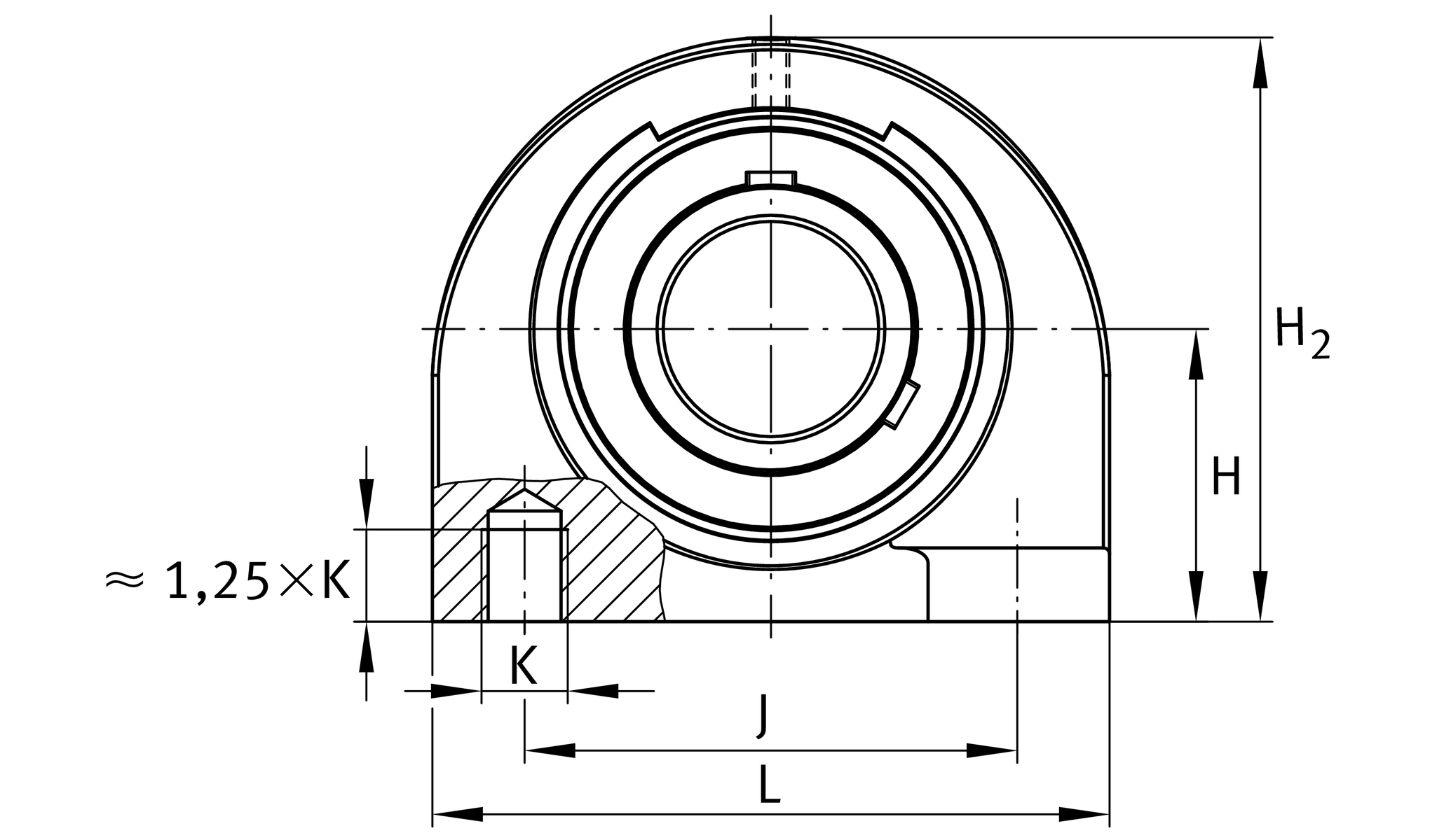
Main Dimensions & Performance Data
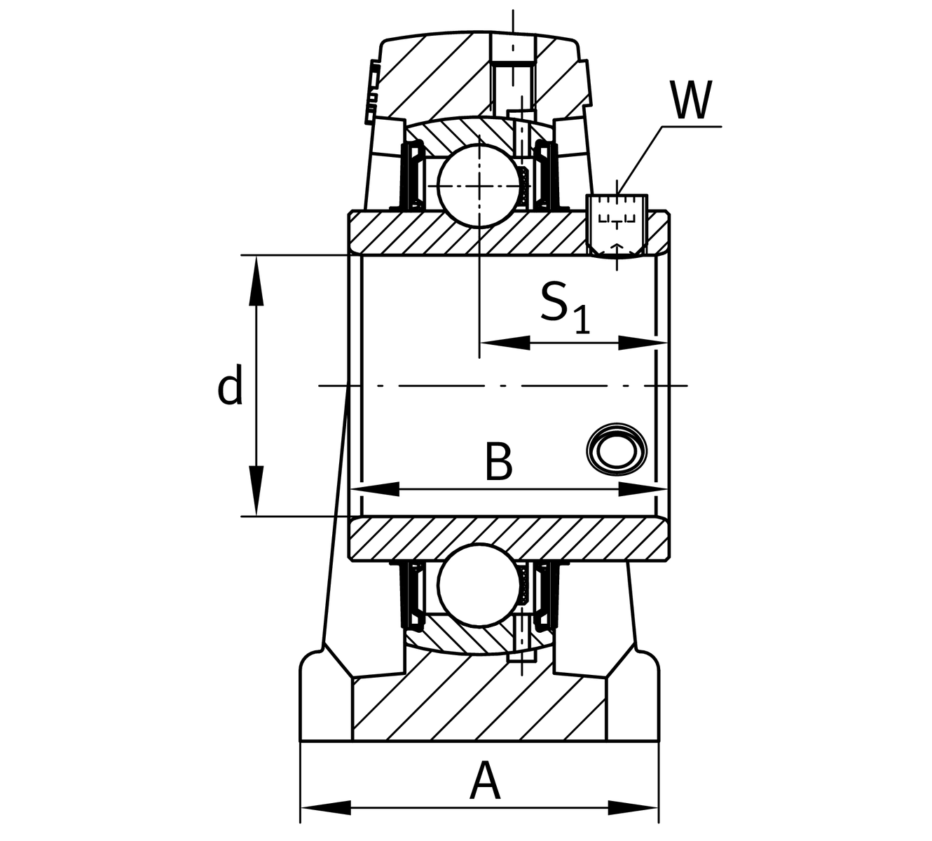
d
36.513 mm
Bore diameter
L
110 mm
Length total
H2
95 mm
Height
≈m
1.658 kg
Weight

Mounting dimensions
J
80 mm
Distance fixing bore
K
M14
Thread fixing bore

Dimensions
H
47.6 mm
Distance shaft axis
A
48 mm
Width (base)
Q
M6
Connection thread for lubrication
B
42.9 mm
Width of inner ring
S1
25.4 mm
Distance of raceway to locking collar

Additional information
PA207
Housing
UC207-23
Bearing designation

Temperature range
Tmin
-20 °C
Operating temperature min.
Tmax
120 °C
Operating temperature max.

Your current product variant
MaterialGGGrey cast iron
Housing clearanceJ7Normal swivel torque
DummyGGcast iron
Thêm vào yêu cầu báo giá