PRODUCTS

  • Home
  • Giới thiệu sản phẩm

FAG
UCFL207-23
Flanged housing unit UCFL207-23
Thêm vào yêu cầu báo giá
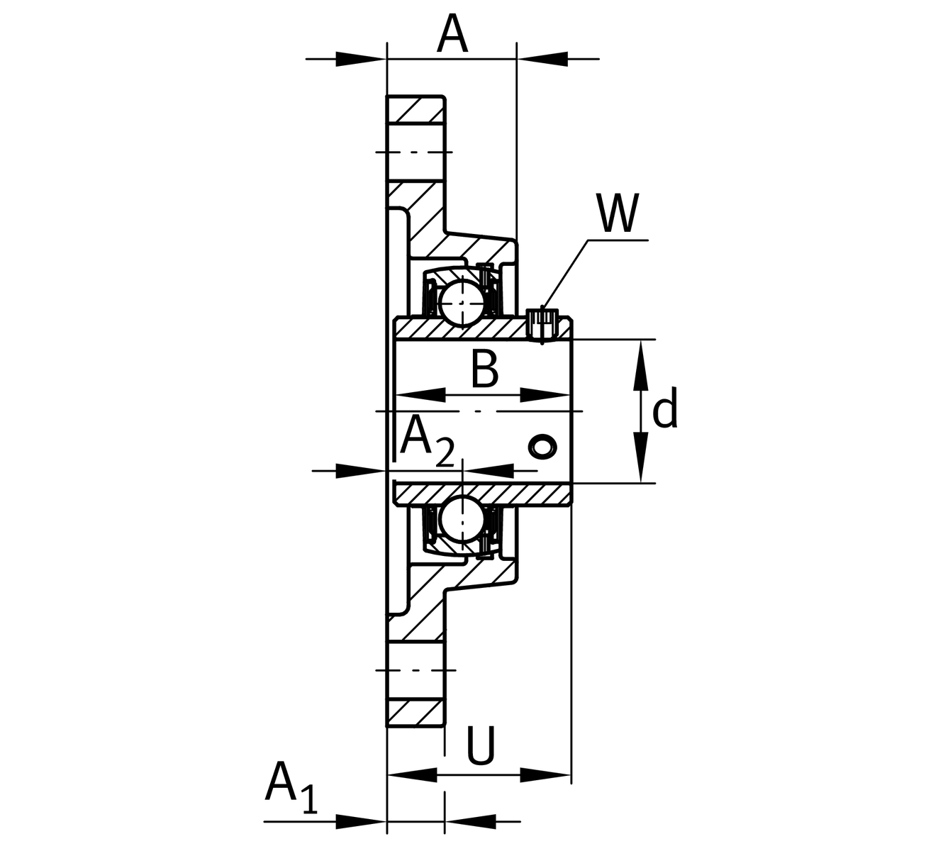
Main Dimensions & Performance Data
d
36.512 mm
Bore diameter
L
90 mm
Flange width
H
161 mm
Height flange
U
44.4 mm
Total height unit
Cr
25,500 N
Basic dynamic load rating, radial
C0r
15,300 N
Basic static load rating, radial
Cur
800 N
Fatigue load limit, radial
≈m
1.158 kg
Weight

Mounting dimensions
J
130 mm
Distance fixing bore
N
16 mm
Fixing bore
n
2
Number of screwing holes

Dimensions
A
34 mm
Height housing
A1
16 mm
Thickness of flange
A2
19 mm
Distance raceway
B
42.9 mm
Width
Q
M6
Connection thread for lubrication

Additional information
1
Number of housings
FL207
Housing
UC207-23
Bearing designation

Temperature range
Tmin
-20 °C
Operating temperature min.
Tmax
120 °C
Operating temperature max.

Your current product variant
MaterialGGGrey cast iron
Thêm vào yêu cầu báo giá