PRODUCTS

  • Home
  • Giới thiệu sản phẩm

FAG
16044-C4
Deep groove ball bearing 16044-C4
Thêm vào yêu cầu báo giá
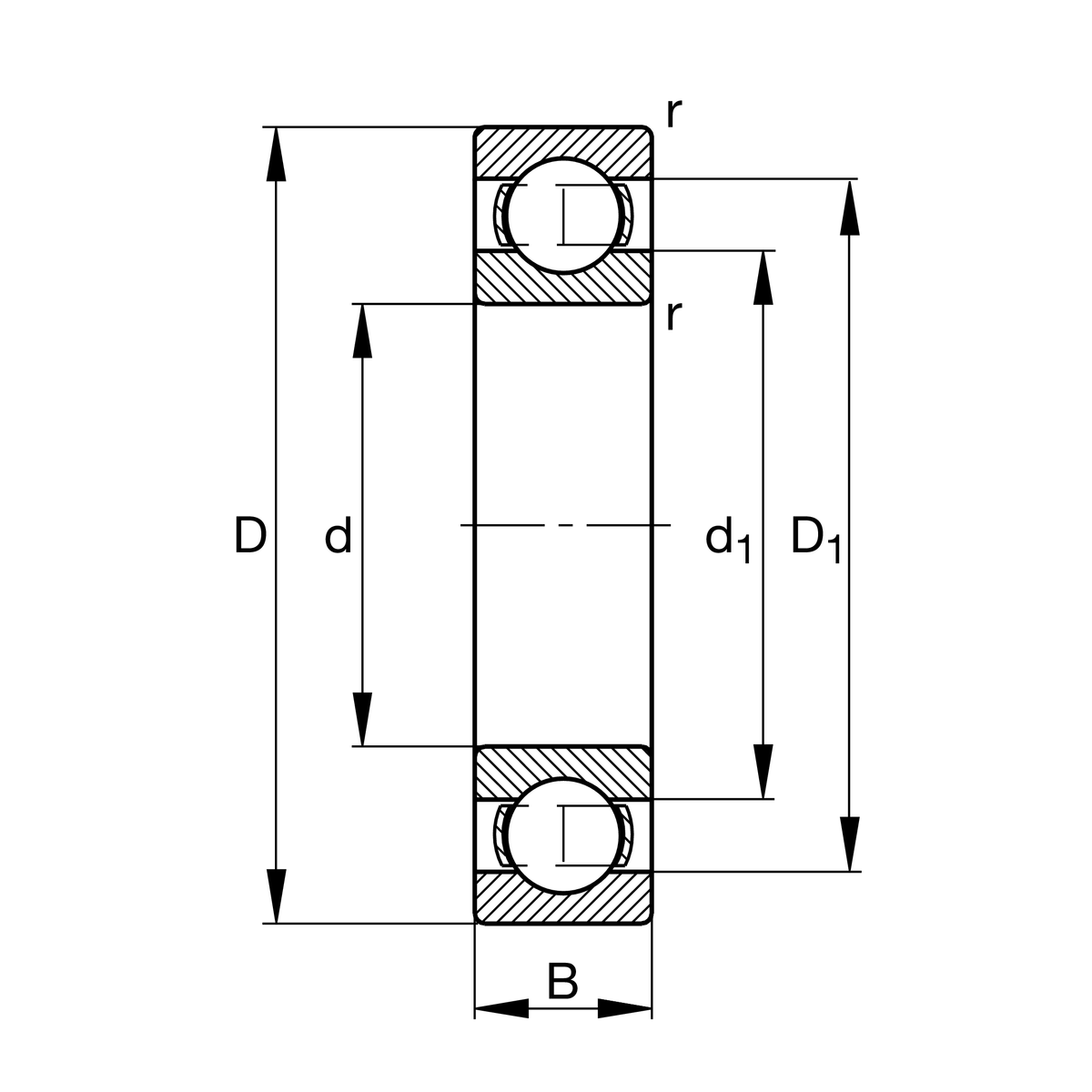
Main Dimensions & Performance Data
d
220 mm
Bore diameter
D
340 mm
Outside diameter
B
37 mm
Width
Cr
198,000 N
Basic dynamic load rating, radial
C0r
240,000 N
Basic static load rating, radial
Cur
8,600 N
Fatigue load limit, radial
nG
2,600 1/min
Limiting speed
nϑr
2,310 1/min
Reference speed
≈m
11.8 kg
Weight

Mounting dimensions
da min
230.2 mm
Minimum diameter shaft shoulder
Da max
329.8 mm
Maximum diameter of housing shoulder
ra max
2.1 mm
Maximum fillet radius

Dimensions
rmin
2.1 mm
Minimum chamfer dimension
D1
298.05 mm
Shoulder diameter outer ring
d1
262.8 mm
Shoulder diameter inner ring

Temperature range
Tmin
-30 °C
Operating temperature min.
Tmax
200 °C
Operating temperature max.

Calculation factors
f0
16.3
Calculation factor

Your current product variant
SealingWithoutNot sealed
CageJNsteel sheet metal
Tolerance classPNNormal (PN)
Dimensional / heat stabilization S1Rings dimensional stabilized up to 200°
LubricantWithoutBearing not greased
Bore typeZCylindrical
Radial internal clearanceC4 (Group 4)Internal clearance larger than C3
Thêm vào yêu cầu báo giá